polofunkční dálkový centrál mk1

Elektronika, el. výbava, diagnostika, kontrolky, přístroje

Moderátoři: peta.smolik, mad mike, Matto, Katy

Odpovědět
Jerabek.David
Začátečník
Příspěvky: 48
Registrován: 16 lis 2013, 17:10
Bydliště: Letovice

polofunkční dálkový centrál mk1

Příspěvek od Jerabek.David »

Poradí mi někdo, normální centrál klíčem chodí bez problému, pokud chci ovšem zavřít dálkovým originálem, tak musím mít okno pootevřené aspoň o centimetr ale když mám zavřená okna tak nic, moje myšlenka byla že někde bude vyveden káblík jako příjmač, ale vůbec nevím kde to hledat, poradí někdo? budu vděčný za každou radu :)
Fiat Punto Sporting 1.6 8V 65kw 90hp
Reklama
 

Uživatelský avatar
rossi
Znalec
Příspěvky: 802
Registrován: 10 zář 2008, 16:07
Bydliště: Slavkov u Brna

Re: polofunkční dálkový centrál mk1

Příspěvek od rossi »

kablik neni nikde vyveden,ale přijimač dalky je v panelu co jsou hodiny.Ale jeho dosah je minimalní,a jestli je nebo není okno otevř.nema na dosah vliv.
Rossi
Fiat Punto 1.6Mk1 90 ELX resuscitován
AUDI A6 3.0 Quatro 2002
Jerabek.David
Začátečník
Příspěvky: 48
Registrován: 16 lis 2013, 17:10
Bydliště: Letovice

Re: polofunkční dálkový centrál mk1

Příspěvek od Jerabek.David »

Nejde mi o dosah, ale prostě když nechám otevřený okna, tak bez problému auto odemknu z 10 metrů a když sou zavřený tak jak kokot klíče u okna a nic prostě ;)
Fiat Punto Sporting 1.6 8V 65kw 90hp
Uživatelský avatar
rossi
Znalec
Příspěvky: 802
Registrován: 10 zář 2008, 16:07
Bydliště: Slavkov u Brna

Re: polofunkční dálkový centrál mk1

Příspěvek od rossi »

Nemáš na oknech nějakou UV nebo jinou folii?Ta by to mohla odstinˇovat.Předpokladam že maš origo DO.To pracuje ve stejnem kmitočtovem pásmu jako ovladače na TV.
Rossi
Fiat Punto 1.6Mk1 90 ELX resuscitován
AUDI A6 3.0 Quatro 2002
Jerabek.David
Začátečník
Příspěvky: 48
Registrován: 16 lis 2013, 17:10
Bydliště: Letovice

Re: polofunkční dálkový centrál mk1

Příspěvek od Jerabek.David »

Mám originál DO a jinak mám fólie pouze na zadních bočních oknech a na kufru, ale ve předu fólie na oknech nemám žádný
Fiat Punto Sporting 1.6 8V 65kw 90hp
Uživatelský avatar
rossi
Znalec
Příspěvky: 802
Registrován: 10 zář 2008, 16:07
Bydliště: Slavkov u Brna

Re: polofunkční dálkový centrál mk1

Příspěvek od rossi »

takovej trivialní dotaz,co baterka v ovladači?Jestli je slabší nemusí síla signálu stačit přes zavřený okno.Já sem musel někdy dát ovladač až k oknu.
Rossi
Fiat Punto 1.6Mk1 90 ELX resuscitován
AUDI A6 3.0 Quatro 2002
Jerabek.David
Začátečník
Příspěvky: 48
Registrován: 16 lis 2013, 17:10
Bydliště: Letovice

Re: polofunkční dálkový centrál mk1

Příspěvek od Jerabek.David »

Baterky sem vyměnil ale změnu sem nepoznal, prostě přes zavřené okno nefunguje. ;)
Fiat Punto Sporting 1.6 8V 65kw 90hp
Uživatelský avatar
rossi
Znalec
Příspěvky: 802
Registrován: 10 zář 2008, 16:07
Bydliště: Slavkov u Brna

Re: polofunkční dálkový centrál mk1

Příspěvek od rossi »

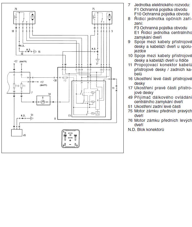
tak potom už zbývá jedině přijímač DO. nebo vodič z přijímače do ŘJ dalk.ovl.Že je někde
v konektorech větší odpor a signal přes okno je slabý.
DO.JPG
DO.JPG (69.88 KiB) Zobrazeno 4112 x
jinak už nevím.To schema je na 3d,ale 5d to ma stejný.
Rossi
Fiat Punto 1.6Mk1 90 ELX resuscitován
AUDI A6 3.0 Quatro 2002
Jerabek.David
Začátečník
Příspěvky: 48
Registrován: 16 lis 2013, 17:10
Bydliště: Letovice

Re: polofunkční dálkový centrál mk1

Příspěvek od Jerabek.David »

V poho mám 3dveř, mrknu nato o víkendu, snad mi to pomůže, dík za schéma... :)
Fiat Punto Sporting 1.6 8V 65kw 90hp
Odpovědět

Zpět na „Punto - elektrika“