stěrače vs pojistka pro Scr

Elektronika, el. výbava, diagnostika, kontrolky, přístroje

Moderátoři: peta.smolik, mad mike, Matto, Katy

Odpovědět
Uživatelský avatar
rossi
Znalec
Příspěvky: 802
Registrován: 10 zář 2008, 16:07
Bydliště: Slavkov u Brna

stěrače vs pojistka pro Scr

Příspěvek od rossi »

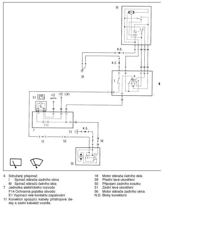
sterace.JPG
sterace.JPG (41.81 KiB) Zobrazeno 1625 x
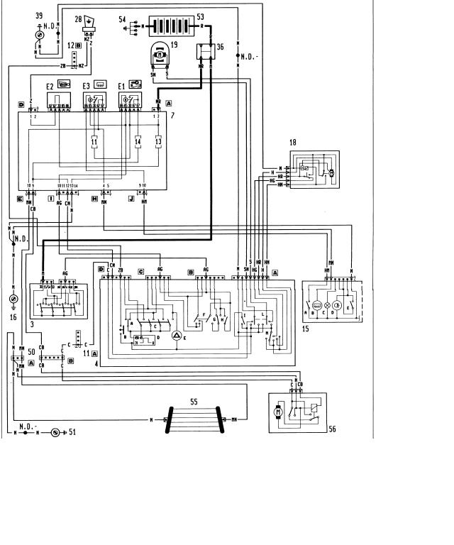
schema.JPG
schema.JPG (64.79 KiB) Zobrazeno 1625 x
Rossi
Fiat Punto 1.6Mk1 90 ELX resuscitován
AUDI A6 3.0 Quatro 2002
Reklama
 

Uživatelský avatar
ScR
Zkušenej Fiaťák
Příspěvky: 229
Registrován: 25 pro 2012, 17:57
Bydliště: Dingolfing/Olomouc

Re: stěrače vs pojistka pro Scr

Příspěvek od ScR »

díkes draku, mrknu na to a dám vědět na co jsem přišel ;-)
######
.ScOrE.
Odpovědět

Zpět na „Punto - elektrika“