Okýnka v elektrice

Elektronika, el. výbava, diagnostika, kontrolky, přístroje

Moderátoři: peta.smolik, mad mike, Matto, Katy

Hansisch90
Začátečník
Příspěvky: 5
Registrován: 11 bře 2014, 19:29

Okýnka v elektrice

Příspěvek od Hansisch90 »

Dobrý den,
mám jeden problém na puntíku se objevil problém PP oknem, nejde ovládání okna na zavření. Okno se stále jen otevírá, když jsem přehodil kontakty tak zas jen zavírá :) Zkoušel jsem i jiné ovládání (spínače), vše bylo ale stejné. Všechny pojistky a relé jsem prošel, pojistky jsou OK, a relé vypadají také ok. Už nevím co s tím, potřeboval bych nějakou tu radu. Předem děkuji.
S pozdravem Hans
Fiat Punto "Puntík" 176 (1997) 1.6 MPI (90k)
Reklama
 

Uživatelský avatar
straki
Zkušenej Fiaťák
Příspěvky: 420
Registrován: 11 říj 2009, 23:14

Re: Okýnka v elektrice

Příspěvek od straki »

Jediný co mne napadá tak je seknutý relé (skus to "rozklepat") nebo někde "odhalený" drát
Fiat Punto MK1 SX 1,7 TD 52kw rv. 95 - Dosloužil :(
Aktualně Fiat Stilo 1,9 JTD 85 kw r.v 03
Uživatelský avatar
rossi
Znalec
Příspěvky: 802
Registrován: 10 zář 2008, 16:07
Bydliště: Slavkov u Brna

Re: Okýnka v elektrice

Příspěvek od rossi »

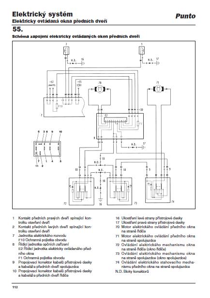
relé pro okna je několikanasobný/je to takova mala ŘJ/ je to to velký v přihradce spolujezdce.
okno.JPG
okno.JPG (43.51 KiB) Zobrazeno 9367 x
Rossi
Fiat Punto 1.6Mk1 90 ELX resuscitován
AUDI A6 3.0 Quatro 2002
Hansisch90
Začátečník
Příspěvky: 5
Registrován: 11 bře 2014, 19:29

Re: Okýnka v elektrice

Příspěvek od Hansisch90 »

Díky za rady i to schéma zapojení. Ještě taková malá otázka: jak mám "rozklepat" to relé?
Fiat Punto "Puntík" 176 (1997) 1.6 MPI (90k)
Uživatelský avatar
rossi
Znalec
Příspěvky: 802
Registrován: 10 zář 2008, 16:07
Bydliště: Slavkov u Brna

Re: Okýnka v elektrice

Příspěvek od rossi »

Bylo asi myšleno ho vyndat a zlehka s ním poklepat. Může být spečený kontakt.Dělá to i spínač pro okno spolujezdce na straně řidiče? Ty spínače jsou projeny paralerně,takže by to měl dělat taky.Tady ještě umístění těch relé.
Přílohy
relé.JPG
relé.JPG (47.15 KiB) Zobrazeno 9324 x
Rossi
Fiat Punto 1.6Mk1 90 ELX resuscitován
AUDI A6 3.0 Quatro 2002
Uživatelský avatar
peter963
Zkušenej Fiaťák
Příspěvky: 419
Registrován: 09 kvě 2013, 15:24
Bydliště: KOSICE STARE MESTO

Re: Okýnka v elektrice

Příspěvek od peter963 »

Druha strana ti bavy normalne hore a dole? Ak ano tak potom to nieje rele,lebo je tam len jedno na okna.Skus premerat kable ci nahodou nieje niektory prelomeny.Skontroluj aj tu spojku medzi dverami a stlpikom.To len potocis a mas to rozpojene.
PETER Sn.-FIAT PUNTO-1.7 TD SX 5dvr.Ex
PETER Jun.-FIAT PUNTO-1.2 60 SX 3dvr.Ex
Prirastok FIAT FREEMONT 2l JTD
Uživatelský avatar
freezer85
Začátečník
Příspěvky: 7
Registrován: 23 čer 2014, 17:53
Bydliště: Scotland, UK

Re: Okýnka v elektrice

Příspěvek od freezer85 »

Zdravim,

mam podobny problem. Okno jen na strane ridice jde normalne stahnout uplne dole, ale kdyz potrebuju vytahnout, tak cca v 1/3 vytahování se to zasekne a zacne něco cvakat nebo vrčet a oknoprostě stojí. Vychytal jsem to tak, že tomu musím pomoct. To znamená, chytnu to sklo a táhnu to rukou nahoru.
To samé mi udělá pak ještě jednou asi ve 2/3 vytahování okna.

Otvírám uz nejakou dobu okno jen kousicek, abych to nemusel pred lidma tahat rukou jak debil.. :D

Nevite co stim ? Tahani okna uz mam dost :roll:
FIATUM ZDAR a SÍLU :D

Punto 1,2, 44kw = síla tahu od podlahy :D
2003 - už je to veterán ale pořád sviští jak pes po zásahu bleskem :D
Barva: nevím prostě piastáciový hnus :D
Uživatelský avatar
freezer85
Začátečník
Příspěvky: 7
Registrován: 23 čer 2014, 17:53
Bydliště: Scotland, UK

Re: Okýnka v elektrice

Příspěvek od freezer85 »

Zdravim,

mam podobny problem. Okno jen na strane ridice jde normalne stahnout uplne dole, ale kdyz potrebuju vytahnout, tak cca v 1/3 vytahování se to zasekne a zacne něco cvakat nebo vrčet a oknoprostě stojí. Vychytal jsem to tak, že tomu musím pomoct. To znamená, chytnu to sklo a táhnu to rukou nahoru.
To samé mi udělá pak ještě jednou asi ve 2/3 vytahování okna.

Otvírám uz nejakou dobu okno jen kousicek, abych to nemusel pred lidma tahat rukou jak debil.. :D

Nevite co stim ? Tahani okna uz mam dost :roll:
FIATUM ZDAR a SÍLU :D

Punto 1,2, 44kw = síla tahu od podlahy :D
2003 - už je to veterán ale pořád sviští jak pes po zásahu bleskem :D
Barva: nevím prostě piastáciový hnus :D
Cabuto
Zkušenej Fiaťák
Příspěvky: 320
Registrován: 08 zář 2012, 08:39
Bydliště: Brno

Re: Okýnka v elektrice

Příspěvek od Cabuto »

No podle popisu je vhaji nejkej zub na prevodu z motorku na nuzky a vzdy kdyz nanej dojde tak to preskakuje jak to popotahnes chytne se na dalsi atd takze roudelat dvere a zkontrolovat :-)
Punto mk2 sporting 1.2 16v LPG muj 1:)
turbom
Zkušenej Fiaťák
Příspěvky: 496
Registrován: 24 dub 2008, 22:19
Bydliště: Havl. Brod. a okoli

Re: Okýnka v elektrice

Příspěvek od turbom »

Mel jsem to same. Dolu sel jak vino, nahoru jsem mu musel 3x pomoci. Vymenil jsem celou stahovacku a je klid. Az budu mit cas, rozeberu ji a podivam se na to.
Pry se omelou zuby na plastovem kolecku a pak okno nechodi.
2020-Fiat Tipo 1.4 T-jet HB lpg Stag Q-box.2008- Fiat Bravo 1.4 T-jet 150k Emotion+LPG Stag Q-BOX.
Ex: 2008 Fiat Linea-1.4 T-jet,Fiat Punto HLX 1.2 16v 2000 +lpg.Fiat Punto 1.2 8V 2002.Fiat Punto 1.1 1996.Fiat Uno 1.0 1991.Fiat Uno 1.3 Turbo I.e logo 1991
eNman
Fiaťák
Příspěvky: 147
Registrován: 09 srp 2010, 22:47
Bydliště: Nitra

Re: Okýnka v elektrice

Příspěvek od eNman »

Mozem sa spyat na odnak toho cz/sk manualu punto1 ?

Inak mam problem tiez s oknami, su strasne lenive. Ak ich otvaram/zatvaram obe naraz je to pomalsie akoby som ich otvaral kazde zvlast. Je problem v elektrike alebo tiez sa ejdna o stare motorceky.
Fiat Punto MK1 1,7TD 70HP Stile 5D '98

http://www.club-fiat.com/viewtopic.php?f=74&t=22258
Uživatelský avatar
rossi
Znalec
Příspěvky: 802
Registrován: 10 zář 2008, 16:07
Bydliště: Slavkov u Brna

Re: Okýnka v elektrice

Příspěvek od rossi »

oni vubec ty okna na puntu nejsou žaden rychlík.někdy stačí pročistit a namazat vodicí lišty a vubec celý mechanizmus.
Rossi
Fiat Punto 1.6Mk1 90 ELX resuscitován
AUDI A6 3.0 Quatro 2002
eNman
Fiaťák
Příspěvky: 147
Registrován: 09 srp 2010, 22:47
Bydliště: Nitra

Re: Okýnka v elektrice

Příspěvek od eNman »

to chapem ze to nejde tak ako na novych autach. Skusil som premerat kolko napetia tma ide a:
Lava: 11,5V naprazdno, 9,5V pri dvyhani lavej strany, 8,5V ak dviham obe strany naraz
Prava: 10V naprazdna, 8V pri dvihani pravej strany, 7V pri dvyhani oboch stran naraz
Fiat Punto MK1 1,7TD 70HP Stile 5D '98

http://www.club-fiat.com/viewtopic.php?f=74&t=22258
Uživatelský avatar
rossi
Znalec
Příspěvky: 802
Registrován: 10 zář 2008, 16:07
Bydliště: Slavkov u Brna

Re: Okýnka v elektrice

Příspěvek od rossi »

Ty napětí na prázdno jsou nějak moc malá,hlavně to v pravo.Je dobrá bat? Když ano tak je něgde svod na kostru.Může to být i v motorku.Taky můžou být zaoxidovaný konektory.
Rossi
Fiat Punto 1.6Mk1 90 ELX resuscitován
AUDI A6 3.0 Quatro 2002
oskarzv
Fiaťák
Příspěvky: 83
Registrován: 30 říj 2012, 17:03
Bydliště: Zvolen, Slovensko
Kontaktovat uživatele:

Re: Okýnka v elektrice

Příspěvek od oskarzv »

Ja mám zese problém, ze mi nejde okno na strane spolujazdca. Sprvu to islo sem tam, raz islo raz nie. Teraz uz nejde vobec. Typujem to kable medzi dverami a autom.

Stretol sa s tym to problemom uz niekto?
Fiat Punto 1,9 DS 44kW r2000
Odpovědět

Zpět na „Punto - elektrika“