Punto Cabrio relatka

Elektronika, el. výbava, diagnostika, kontrolky, přístroje

Moderátoři: peta.smolik, mad mike, Matto, Katy

Odpovědět
LuboBo
Začátečník
Příspěvky: 7
Registrován: 12 dub 2011, 12:49
Bydliště: Prievidza

Punto Cabrio relatka

Příspěvek od LuboBo »

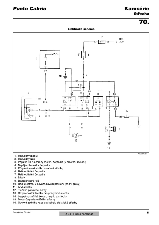
Vy co mate punto cabrio z elektrickou strechou, mozete mi prosim napisat ake relatka tam mate / maju byt? Prikladam aj schemu el. strechy ak to nejaky v elektronike zdatnejsi clovek vie vycitat. Kupil som jedno punto na ND z el.strechou, ze to prehodim do svojho manualneho puntasa, ale ta strecha je extremne leniva. Clovek co mi to predaval tvrdil, ze to bude relatkami a dal mi k puntasovi 23 roznych relatok........ Ze on to skusal 3 dni a natrafil na spravnu kombinaciu....... Len blb ich vymontoval. Ja sa v tejto oblasti moc nevyznam, ale pokial viem su spinacie a rozpinacie rele a predpokladam, ze ich zamena nie je dobry napad. Ta strecha ide, v tom by problem nebol a nie je, ale ide tak, ze jej musim pomahat ked ju stahujem a trva jej to 1:53 minuty! Natiahnut sa natiahne celkom v pohode a trva to okolo pol minuty. Skusal som aj pretesnit spoje, su tam viac menej standartne medene tesniace kruzky, dat novu kvapalinu a zlepsilo sa to o takych 10% maximalne. Uvazoval som ci tam nie je problem ako u Audi 80 / Golf II kde bola plastova turbina (vrtula) ktora sa zlomila a kvapalinu to zle precerpavalo. Tieto auta maju hydraulicky system, cerpadlo, el. motor od rovnakeho vyrobcu a ta turbinka sa da bezne kupit na ebay. Aj to cerpadlo vyzera rovnako. Lenze tam je k tej turbinke uplne bezproblemovy pristup a tu som sa dostal len po nejaku "stenu" kde je pod nou priestor cca 2 az 3 cm siroky a potom dalsia "stena" Do toho priestoru sa neda nijak dostat bez poskodenia.
Přílohy
schema1.jpg
schema1.jpg (110.83 KiB) Zobrazeno 1757 x
schema_strecha.jpg
schema_strecha.jpg (84 KiB) Zobrazeno 1757 x
strecha.jpg
strecha.jpg (85.21 KiB) Zobrazeno 1757 x
Reklama
 

Uživatelský avatar
Otomar
Zkušenej Fiaťák
Příspěvky: 217
Registrován: 13 led 2012, 20:46
Kontaktovat uživatele:

Re: Punto Cabrio relatka

Příspěvek od Otomar »

Myslim, ze relatkem to nebude. Rele je proste jen spinac, ale vykon systemu nim nijak nezvysis. Spis bude pravdepodobnejsi ta spatna "turbinka".
Fiat Punto MK1 55, 1996; Ford Focus 2004
Odpovědět

Zpět na „Punto - elektrika“