odkaz na dorobenie control cruise/ tempomat

Moderátoři: peta.smolik, Globusman

Uživatelský avatar
rogi
Znalec
Příspěvky: 594
Registrován: 03 črc 2010, 19:43
Bydliště: SK

odkaz na dorobenie control cruise/ tempomat

Příspěvek od rogi »

v popise si narolovat spodok stranky kde je zelením napísane Link to the post.kliknut a otvorí sa popis ako dorobiť tempomat, dal som sem link lebo pdf subor sem nejde dať, skúšal som to zipnut, ale velkosť suboru ktoru tu zoberie je 256kb :twisted:

24.10.2010.dnes som bol na talianskom fore kde sa týmto problemom zaoberaju od roku 2008, tak taliani vychadzali s firemneho zapojenia ktore je v dielenskom manuly eLearn, len škoda že taliany ušetrili káble, bolo by to jednoduchšie :mrgreen: tu je zopar obrazkov ako to ma byť zapojene, je to v jpg, ale nič moc ak by to niekto chcel mam to aj pdfke, tu je bieda dať v PDF

na tejto stranke som to dal v PDF ak by mal niekto zaujem sa na to pozriet
http://svetelektro.com/modules.php?name ... 140#223140" onclick="window.open(this.href);return false;
Přílohy
BRAVO2 C.C._0001.jpg
BRAVO2 C.C._0001.jpg (61.96 KiB) Zobrazeno 23073 x
BRAVO2 C.C._0002.jpg
BRAVO2 C.C._0002.jpg (25.92 KiB) Zobrazeno 23073 x
BRAVO2 C.C._0003.jpg
BRAVO2 C.C._0003.jpg (33.72 KiB) Zobrazeno 23073 x
Naposledy upravil(a) rogi dne 28 led 2012, 17:05, celkem upraveno 1 x.
Škoda 130L agave už z recyklovana
Fiat BRAVO 1.4 activ PLUS 66kw biela "divino"
Reklama
 

starass
Začátečník
Příspěvky: 3
Registrován: 15 pro 2010, 17:42

Re: odkaz na dorobenie control cruise/ tempomat

Příspěvek od starass »

zajímavé díky :-)
Když potřebuji vytunit auto tak jdu do tuning shop, letní pneu zase hledám na internetu.
Uživatelský avatar
rogi
Znalec
Příspěvky: 594
Registrován: 03 črc 2010, 19:43
Bydliště: SK

Re: odkaz na dorobenie control cruise/ tempomat

Příspěvek od rogi »

starass píše:zajímavé díky :-)
a tu je ešte link na talianske forum kde to tiež riešili
http://forum.stiloclub.it/viewtopic.php ... &start=260" onclick="window.open(this.href);return false;

to talianske forum o C.C som dal od 15 strany, treba si to dat preložit translatorom, po dlhšej dobe t.j. 15.3.2011 som bol zas navštíviť taliansku stránku, kde som sa dozvedel zas nove informacie ohladom control cruise, ak dáte dole vrchný obklad stĺpika riadenia a najdete tam konektor na priloženom obrazku, môžte sa radovat je to 50% úspechu ako si dorobiť tempomat, v sobotu sa pokusim bez poškodenia aj ja pozriet čí ten konektor tam je, podla toho čo som čítal a pochopil tak na modeloch 2010 by mala byť kabeláž od výrobcu, ale či to je pravda, neviem,prikladam obrazky, je tam aj tempomatova páčka, na fiat sa neda kúpit ako náhradní diel, iba na A.R147, aktivacia tempomatu nevyžaduje zasah do programu riadacej jednotky, len treba dodržat niektore ukony aby sa to aktivovalo, dam aj tie len to musím skopírovat s dielenskej príučky
referenčne číslo páčky tempomatu podla ePER pre A.R. 147 735365522
Přílohy
bravo198-bc198_cruise_control-2003.jpg
bravo198-bc198_cruise_control-2003.jpg (21.72 KiB) Zobrazeno 22933 x
img0379i.jpg
img0379i.jpg (42.97 KiB) Zobrazeno 22933 x
Naposledy upravil(a) rogi dne 28 led 2012, 17:07, celkem upraveno 3 x.
Škoda 130L agave už z recyklovana
Fiat BRAVO 1.4 activ PLUS 66kw biela "divino"
Uživatelský avatar
rogi
Znalec
Příspěvky: 594
Registrován: 03 črc 2010, 19:43
Bydliště: SK

Re: odkaz na dorobenie control cruise/ tempomat

Příspěvek od rogi »

prikladam schemu doplnenu o hodnoti odporov, v páčke a ručne kreslenu schemu pačky, všetko je s talianskeho fora, tu je i návod ako aktivovat C.C. , lebo riadaca jednotka nepoznala doposial C.C.
Přílohy
aktivacia c.c tempomat.jpg
aktivacia c.c tempomat.jpg (52.95 KiB) Zobrazeno 22929 x
06032011204.jpg
06032011204.jpg (38.08 KiB) Zobrazeno 22932 x
bravo198-bc198_cruise_control-001.jpg
bravo198-bc198_cruise_control-001.jpg (44.46 KiB) Zobrazeno 22932 x
Škoda 130L agave už z recyklovana
Fiat BRAVO 1.4 activ PLUS 66kw biela "divino"
Uživatelský avatar
rogi
Znalec
Příspěvky: 594
Registrován: 03 črc 2010, 19:43
Bydliště: SK

Re: odkaz na dorobenie control cruise/ tempomat

Příspěvek od rogi »

dnes bol deň "D" deň pravdy, :roll: odplastoval som stĺpik riadenia, a konektor nikde, čakal som lepšie prekvapko, ale čo už by som chcel od obyčajnej 1.4, možno silnejšie verzie budu mať kabeláž aj na tempomat, napinovat konektor na riadacej jednotke to nebudem zatial robiť, i ked som študoval blokovu schemu a konektory, ešte že mam dielenský manual, najtašie bude zohnat pini do konektorov, na povolenie 3 skrutiek uchytavajucich spodne oplastovanie treba INBUSAK 3, ale ešte pred tým treba odstranit aj jednu krytku, na to treba pásovinu hrubky 0,8mm aspoň 10mm širokú, vrchný plast držia dve skrutky,
ešte prebehnem fyzicky kabelaž, lebo čo rok to zmena v konštrukcii :D, lebo som objavil rozpor manual a skutočnost, do združeneho prepinača ide jeden konektor , ale v manuali ich je viac, no hold všade can bus a neviem čo etše :mrgreen:
chcelo by to nový eLEARN, mám model 2010 a tam je toho dosť pomenenee :(
Škoda 130L agave už z recyklovana
Fiat BRAVO 1.4 activ PLUS 66kw biela "divino"
Uživatelský avatar
rogi
Znalec
Příspěvky: 594
Registrován: 03 črc 2010, 19:43
Bydliště: SK

Re: odkaz na dorobenie control cruise/ tempomat

Příspěvek od rogi »

odkaz na iné forum kde to aj majitel z realizoval na 1.4/66kw
http://www.gabriel-net.de/forum/showthr ... 25&page=10" onclick="window.open(this.href);return false;
Škoda 130L agave už z recyklovana
Fiat BRAVO 1.4 activ PLUS 66kw biela "divino"
breki101
Začátečník
Příspěvky: 20
Registrován: 06 dub 2008, 11:31
Bydliště: Slovakia - NZ
Kontaktovat uživatele:

Re: odkaz na dorobenie control cruise/ tempomat

Příspěvek od breki101 »

rogi píše:prikladam schemu doplnenu o hodnoti odporov, v páčke a ručne kreslenu schemu pačky, všetko je s talianskeho fora, tu je i návod ako aktivovat C.C. , lebo riadaca jednotka nepoznala doposial C.C.
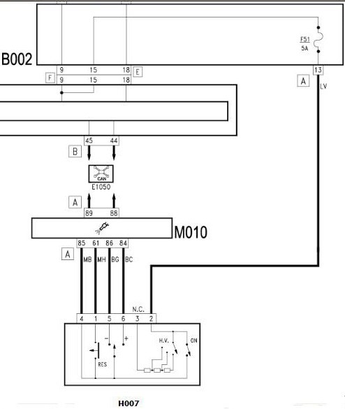
čau rogi, ja mám Bravo r.v. 2007 a mám zapojenie ako na tejto schéme, z riadiacej jednotky mi išli 4 káble do konektoru D004, ktorý bol v poistkovej skrinke v motorovom priestore po odklopení celej dosky s poistkami. Odtiaľ som len natiahol 3 káble k volantu a plusko z poistkovej skrinky a napojil som alfácku páčku. Nebola treba žiadna aktivácia v riadiacej jednotke, hneď začal fungovať bez problémov. Pozeral som tvoje Bravo, t.j. 2010, kde pravdepodobne nemáš vyvedené káble z riadiacej jednotky do toho konektoru D004, nakoľko ten už na schéme u modelu 2010 nie je zobrazený. Budeš musieť asi napichať nové piny do RJ a priamo zaviesť k volantu. Taktiež sú podľa schémy iné pin-y určené pre tempomat. Ja som mal v RJ na tempomat pin-y:58,41,8,9 a v tvojej RJ sú určené pre tempomat pin-y: 85,61,86,84, takže si aspoň skontroluj na RJ, či sú uvedené pin-y zapojené, resp. vyvedené z RJ. Farba káblov by mala byť: 85-MB, 61-MH, 86-BG, 84-BC. Legendu k farbám káblov si nájdeš aj v starom e-learne.
Zatiaľ toľko, keď ti to pomôže, budem rád, čau.
Fiat Bravo2
polomiso
Fiaťák
Příspěvky: 190
Registrován: 24 zář 2009, 23:09
Bydliště: Nové Zámky

Re: odkaz na dorobenie control cruise/ tempomat

Příspěvek od polomiso »

Ahoj. Nemám sice nové Bravo ale mám punto s rovnakým motorom(aspoň dúfam). Tak ma napadlo, že by som si aj ja mohol teoreticky dorobiť tempomat. Nemohol by som sa niekedy, ked ti to bude vyhovovať zastaviť a porovnať tvoje auto, konkrétne konektory, s mojím? V elektrike sa veľmi, vlastne vôbec nevyznám, takže by mi to naozaj veľmi pomohlo. Ďakujem za odpoveď.
mk2b 1.4 16V 5D
Uživatelský avatar
rogi
Znalec
Příspěvky: 594
Registrován: 03 črc 2010, 19:43
Bydliště: SK

Re: odkaz na dorobenie control cruise/ tempomat

Příspěvek od rogi »

Ďakujem uživatelovi breki101, ktorí mi poskytol schema pre C.C.model 2010
urobil som foto konektora na mojej "plechovici, a doplnil piny pre C.C. do konektora M010A, chcel som to dať sem v pdf. ale nie je tu podporovane, tak som to musel screenovať :mrgreen: doplním aj pripojenie pinov k páčke,najťažšie bude zohnať nové nepoužité piny, aby sa dali nakrimplovat nove "káble" :mrgreen:
Přílohy
C.C.1.jpg
C.C.1.jpg (107.97 KiB) Zobrazeno 22007 x
C.C.2.jpg
C.C.2.jpg (62.82 KiB) Zobrazeno 22007 x
C.C.3.jpg
C.C.3.jpg (59.13 KiB) Zobrazeno 22007 x
Naposledy upravil(a) rogi dne 24 led 2012, 10:56, celkem upraveno 1 x.
Škoda 130L agave už z recyklovana
Fiat BRAVO 1.4 activ PLUS 66kw biela "divino"
Uživatelský avatar
rogi
Znalec
Příspěvky: 594
Registrován: 03 črc 2010, 19:43
Bydliště: SK

Re: odkaz na dorobenie control cruise/ tempomat

Příspěvek od rogi »

ako som sľúbil tu je výrez schemi prepojenia pinov M010A s páčkou tempomatu
ako som to dostal mailom od "breki101" ešte ráz mu Ďakujem za nás všetkých,
ktorí si tu chodíme pomáhať.
Přílohy
prepojenie M010A s páčkou tempomatu
prepojenie M010A s páčkou tempomatu
zapojenie páčky.jpg (33.79 KiB) Zobrazeno 21990 x
a tu sú skratky farieb kabelaže
a tu sú skratky farieb kabelaže
SKRATKA FARIEB KABELY.JPG (94.34 KiB) Zobrazeno 21990 x
Škoda 130L agave už z recyklovana
Fiat BRAVO 1.4 activ PLUS 66kw biela "divino"
Uživatelský avatar
rogi
Znalec
Příspěvky: 594
Registrován: 03 črc 2010, 19:43
Bydliště: SK

Re: odkaz na dorobenie control cruise/ tempomat

Příspěvek od rogi »

zistil som katalogové číslo konektora je od firmy TYCO , a do pozícii pre C.C. sa dá použiť pin
968220-1 alebo 968221-1 rozdiel je len v priemer vodiča ktorí sa dá krimplovat,
prikladám obrázky ako vyzerá :wink:
Přílohy
C.C pin.jpg
C.C pin.jpg (5.71 KiB) Zobrazeno 21939 x
C.C pina.jpg
C.C pina.jpg (14.4 KiB) Zobrazeno 21939 x
C.C. pinc.jpg
C.C. pinc.jpg (11.96 KiB) Zobrazeno 21939 x
Škoda 130L agave už z recyklovana
Fiat BRAVO 1.4 activ PLUS 66kw biela "divino"
polomiso
Fiaťák
Příspěvky: 190
Registrován: 24 zář 2009, 23:09
Bydliště: Nové Zámky

Re: odkaz na dorobenie control cruise/ tempomat

Příspěvek od polomiso »

Perfektný návod :shock: . Tlieskam.
mk2b 1.4 16V 5D
ttmacik
Začátečník
Příspěvky: 7
Registrován: 14 bře 2012, 23:43

Re: odkaz na dorobenie control cruise/ tempomat

Příspěvek od ttmacik »

Zdravim, a dáky návod ako rozobrať tú koncovku pripojenú k riadiacej by nebol :) viem že som náročný, ale sakra neviem ako sa do nej dostať.. bojim sa že ju zlikvidujem. Díki.

Martin T. :roll:


30.03.2012 Dopĺňam: Dostal som v pdf podrobný rozpis koncovky ako ju rozobrať i zložiť, ďakujem. :P
polomiso
Fiaťák
Příspěvky: 190
Registrován: 24 zář 2009, 23:09
Bydliště: Nové Zámky

Re: odkaz na dorobenie control cruise/ tempomat

Příspěvek od polomiso »

Ja viem, že je tu celá schéma ale som z elektriky dutý. Pod poistkovou skrinkou som našiel tento nezapojeny konektor. Neni to náhodou konektor tempomatu?
DSC_0021-1.jpg
DSC_0021-1.jpg (15.75 KiB) Zobrazeno 21421 x
mk2b 1.4 16V 5D
polomiso
Fiaťák
Příspěvky: 190
Registrován: 24 zář 2009, 23:09
Bydliště: Nové Zámky

Re: odkaz na dorobenie control cruise/ tempomat

Příspěvek od polomiso »

pohľad z predu
Přílohy
DSC_0018-1.jpg
DSC_0018-1.jpg (17.55 KiB) Zobrazeno 21421 x
mk2b 1.4 16V 5D
Odpovědět

Zpět na „Tuning“