Otáčkoměr

Vybavení a úpravy interiéru, vnitřní doplňky

Moderátoři: intel_sk, peta.smolik, mad mike, Matto, Katy, zokot

hofmi
Začátečník
Příspěvky: 21
Registrován: 19 bře 2009, 18:05
Bydliště: Olomouc

Otáčkoměr

Příspěvek od hofmi »

Zdravim všechny fanoušky. Chtěl bych vás poprosit o jednu věc. Mám palubovku , kde mám tachometr a hodiny + teploměr a další blbosti. A chtěl bych přidělat otáčkoměr. Jenže si myslím že kdybych začal rozmontovávat palubní desku nesložil bych zpět dohromady :) a tak se chci zeptat, neporadil by mi někdo montáž s externím budíkem plus kam mám dráty připojit ?A za nějakou slušnou cenu ?

Mám Fiat Punto Mk1 rok výroby 96 díky moc
Reklama
 

punťas hgt
Zkušenej Fiaťák
Příspěvky: 341
Registrován: 11 bře 2008, 18:04
Bydliště: koule evropy
Kontaktovat uživatele:

Re: Otáčkoměr

Příspěvek od punťas hgt »

Proč si netroufneš kuchat palubovku?? Mno u aut bez řj se bere signál od zapalovací cívky, u některých dieselů je vývod na altíku a auta s řj "převážně" mají výstup přímo s řj-což by asi byl problém zjistit-leda z nějakýho chytrýho schéma. Taky je dost možný, že ve svazku už ty šváby pro otáčkoměr máš, to by ti ale musel poradit někdo, kdo má tenhle model a má schéma, nebo někdo, kdo to dělal,příp. zjišťoval. Setkal jsem se i stím, že stačilo např vyhodit pouze hodiny a napojit otáčkoměr, případně jenom přehodit celý budíky.
Mr.pilot
Zkušenej Fiaťák
Příspěvky: 381
Registrován: 12 bře 2009, 18:46
Bydliště: chocerady

Re: Otáčkoměr

Příspěvek od Mr.pilot »

jestli chceš nějakej externí stačí si vyvrat kterej se ti líbí.všechny mají základní tři vstupy + - signál.ten se bere buť před cívkou příspěvek výše,nebo omotáš kabel od svíčky drátem aby jsi na něm vybudil napětí,nebo prostě někde jinde seženeš nějaký signál který je propojený z otáčkami motoru
Punto cabrio,motor 1,6
Grande punto 1,2
matus
Fiaťák
Příspěvky: 54
Registrován: 03 čer 2009, 22:28
Bydliště: Bratislava

Re: Otáčkoměr

Příspěvek od matus »

Ked som to zvladol ja, kludne do toho mozes ist ;-) Mam punto 55s r.v.96...signal do otackomera isiel z riadiacej jednotky (tusim pin 23 modry kabel-to by som ti mohol upresnit potom) dokonca na svorkovnicu pri poistkach, takze kabel som natiahol iba od svorkovnice k budiku a este som menil cidlo teploty, lebo som chcel mat teplomer namiesto kontrolky prehriatia. A vsetko pekne funguje.
Uživatelský avatar
dedii
Fiaťák
Příspěvky: 122
Registrován: 15 led 2008, 22:42

Re: Otáčkoměr

Příspěvek od dedii »

uz sa to tu riesilo , pohladaj na fore, nie je to nic zloziteho
Punto 55 1.1S 40kW r.96 ; 3D ; prejdená TransAlpina 2163mn.m.-Transfagaras-Bukurešť 2235km
OJE
Začátečník
Příspěvky: 8
Registrován: 10 dub 2010, 23:15

Re: Otáčkoměr

Příspěvek od OJE »

matus píše:Ked som to zvladol ja, kludne do toho mozes ist ;-) Mam punto 55s r.v.96...signal do otackomera isiel z riadiacej jednotky (tusim pin 23 modry kabel-to by som ti mohol upresnit potom) dokonca na svorkovnicu pri poistkach, takze kabel som natiahol iba od svorkovnice k budiku a este som menil cidlo teploty, lebo som chcel mat teplomer namiesto kontrolky prehriatia. A vsetko pekne funguje.
odkial si bral signal do budiku teplomera? tiez mam na ceste budik a idem zapajat.
matus
Fiaťák
Příspěvky: 54
Registrován: 03 čer 2009, 22:28
Bydliště: Bratislava

Re: Otáčkoměr

Příspěvek od matus »

Cidlo teploty je treba vymenit. Pre budiky kde je iba kontrolka, zopinalo pri prekroceni urcitej teploty. Je ho teda potrebne vymenit za ine, ktore meni svoj odpor v zavislosti na teplote
Garfield
Začátečník
Příspěvky: 10
Registrován: 31 pro 2009, 14:59

Re: Otáčkoměr

Příspěvek od Garfield »

Mám taky Punto 1.1 rv 1997 verze s hodinami bez otáčkoměru.Pořídil jsem přídavný otáčkoměr a ted bych potřeboval vědět,jak poznám,jestli už tam mám vyvedený ten kábl na otáčkoměr???
dzajro
Začátečník
Příspěvky: 4
Registrován: 14 čer 2009, 21:56

Re: Otáčkoměr

Příspěvek od dzajro »

tak otackomer sa zapaja na riadiacej jednotke nikde inde nechytis ten naklepsi signal(odskusane) len teraz ti neviem presne povedat ktory to je pin musim to zistit.Mam otackomer 7color robota tak hodku a pol kym potahas kable(153-dzajro)
matus
Fiaťák
Příspěvky: 54
Registrován: 03 čer 2009, 22:28
Bydliště: Bratislava

Re: Otáčkoměr

Příspěvek od matus »

Garfield píše:Mám taky Punto 1.1 rv 1997 verze s hodinami bez otáčkoměru.Pořídil jsem přídavný otáčkoměr a ted bych potřeboval vědět,jak poznám,jestli už tam mám vyvedený ten kábl na otáčkoměr???
Mne isiel z riadiacej jednotky PIN 23 modry kabel. Sledoval som ho a isiel na konektor v motorovom priestore pod oknom (rele zapalovania). Odtial mi potom isiel na konektor pri poistkach. Skusal som ho ohmmetrom ci je to on.
OJE
Začátečník
Příspěvky: 8
Registrován: 10 dub 2010, 23:15

Re: Otáčkoměr

Příspěvek od OJE »

matus píše:
Garfield píše:Mám taky Punto 1.1 rv 1997 verze s hodinami bez otáčkoměru.Pořídil jsem přídavný otáčkoměr a ted bych potřeboval vědět,jak poznám,jestli už tam mám vyvedený ten kábl na otáčkoměr???
Mne isiel z riadiacej jednotky PIN 23 modry kabel. Sledoval som ho a isiel na konektor v motorovom priestore pod oknom (rele zapalovania). Odtial mi potom isiel na konektor pri poistkach. Skusal som ho ohmmetrom ci je to on.
a co mas za rok vyroby a motorizaciu?
Uživatelský avatar
astha999
Fiaťák
Příspěvky: 54
Registrován: 24 bře 2010, 18:14
Bydliště: Bardejov, SVK

Re: Otáčkoměr

Příspěvek od astha999 »

Garfield píše:Mám taky Punto 1.1 rv 1997 verze s hodinami bez otáčkoměru.Pořídil jsem přídavný otáčkoměr a ted bych potřeboval vědět,jak poznám,jestli už tam mám vyvedený ten kábl na otáčkoměr???

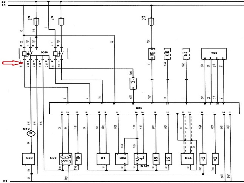
Nemal som otackomer, tak som si vymenil pristrojovku. Aj mne ide z riadiacej jednotky PIN 23 modry kabel na konektor v motorovom priestore pod oknom (rele zapalovania). Cislo toho kabla na tom konektore je 7. Na obrazku je oznaceny cervenou sipkou. Tam som ho napajkoval a vsetko funguje ako ma.
Přílohy
otackomer.jpg
otackomer.jpg (150.39 KiB) Zobrazeno 8063 x
Fiat 126P 650E rv.88 --- Punto Mk1 1,1 55s rv.98
http://yfrog.com/mu48148578jx" onclick="window.open(this.href);return false;
matus
Fiaťák
Příspěvky: 54
Registrován: 03 čer 2009, 22:28
Bydliště: Bratislava

Re: Otáčkoměr

Příspěvek od matus »

OJE píše:
matus píše:
Garfield píše:Mám taky Punto 1.1 rv 1997 verze s hodinami bez otáčkoměru.Pořídil jsem přídavný otáčkoměr a ted bych potřeboval vědět,jak poznám,jestli už tam mám vyvedený ten kábl na otáčkoměr???
Mne isiel z riadiacej jednotky PIN 23 modry kabel. Sledoval som ho a isiel na konektor v motorovom priestore pod oknom (rele zapalovania). Odtial mi potom isiel na konektor pri poistkach. Skusal som ho ohmmetrom ci je to on.
a co mas za rok vyroby a motorizaciu?
rok vyroby 1996, 1.1 55s
Uživatelský avatar
radekrat
Znalec
Příspěvky: 770
Registrován: 17 úno 2008, 20:31
Bydliště: Brno

Re: Otáčkoměr

Příspěvek od radekrat »

Mam dotaz, zkousel nekdo do auta dat budiky z GTcka? Jsou pohaneny taky bovdenem? Turbo bych nezapojoval, ale teplota motoru a oleje muze byt zajimava.
bobas
Zkušenej Fiaťák
Příspěvky: 482
Registrován: 12 bře 2009, 13:47

Re: Otáčkoměr

Příspěvek od bobas »

Mam podobny dotaz,pokud jsem si vsiml v TD ve vybave elx na 1.generaci punta byli podobne budiky jak v gt,jak je tam dostat,mam sx s otackomerem a teplomerem.
Odpovědět

Zpět na „Punto - interiér“