Rozsvietilo sa ABS
Moderátoři: kubiii, Minimaxa, peta.smolik, Globusman
- Maťo
- Zkušenej Fiaťák
- Příspěvky: 279
- Registrován: 04 led 2011, 19:54
- Bydliště: SK-Orava
- Kontaktovat uživatele:
Rozsvietilo sa ABS
Čaute.Prišli mrazy a s ničoho nič sa mi rosvietilo ABS.Po skúšaní na snehu nefunguje a keď som pripojil auto na Fiat ECU scan tak mi vyhodilo:chyba 20 (nieje dôvod na poruch).Nevie niekto čo to môže biť?Ďakujem
Fiat Punto 1,2 8V 5dv. r.2002
Fiat Multipla 1,6 16V r.2001
Fiat Multipla 1,6 16V r.2001
- Reklama
Re: Rozsvietilo sa ABS
Pravděpodobně bude chyba čidla, je potřeba připojit diagnostiku za jízdy a zjistit, které čidlo nesnímá.
,
,
vitaml@volny.cz
Fiat Punto 2 ELX - 1,2/8V, 2001, 125 tkm
Brno
Fiat Punto 2 ELX - 1,2/8V, 2001, 125 tkm
Brno
- Maťo
- Zkušenej Fiaťák
- Příspěvky: 279
- Registrován: 04 led 2011, 19:54
- Bydliště: SK-Orava
- Kontaktovat uživatele:
Re: Rozsvietilo sa ABS
Takže ak to napichnem na kábel a za jazdy začnem brzdiť tak bi mi malo ukázať ktoré čidlo je vadné?
Fiat Punto 1,2 8V 5dv. r.2002
Fiat Multipla 1,6 16V r.2001
Fiat Multipla 1,6 16V r.2001
Re: Rozsvietilo sa ABS
Ne brzdit, všechny 4 snímače musí za jízdy produkovat stejný signál (pulzy).
vitaml@volny.cz
Fiat Punto 2 ELX - 1,2/8V, 2001, 125 tkm
Brno
Fiat Punto 2 ELX - 1,2/8V, 2001, 125 tkm
Brno
- Maťo
- Zkušenej Fiaťák
- Příspěvky: 279
- Registrován: 04 led 2011, 19:54
- Bydliště: SK-Orava
- Kontaktovat uživatele:
Re: Rozsvietilo sa ABS
Tak som tu zase.Zhodil som kotúč na pp strane a zistil som že snímač ABS je ako keby zlomený.Keď odskrutkujem skrutku ktorá drží snímač tak vidím kábliky a celá tá časť je vo vnútri.Otázka teraz znie.Zoženiem si druhé čidlo to je jasné,ale ako vyberiem to staré bez toho aby som nemusel dávať dolu náboj kolesa.Nemám ani sťahovák na náboj tak teraz neviem ako daľej.Je jasné že ho budem musieť odtrhnúť ale bude sa to dať neako odvrtať tak aby mi ten zvyšok nespadol dovnútra náboja?Nemáte niekto fintu ako to vybrať bez zhadzovania náboja?
Fiat Punto 1,2 8V 5dv. r.2002
Fiat Multipla 1,6 16V r.2001
Fiat Multipla 1,6 16V r.2001
Re: Rozsvietilo sa ABS
Musí se opatrně vrtat a vysávat vysavačem, je ovšem velké riziko poškození magnetického kroužku, který je součástí ložiska.
Lepší je odpojit těhlici s nábojem od homokloubu, pak je vidět z druhé strany (zevnitř).
Ložisko a náboj se lisovat nemusí.
Lepší je odpojit těhlici s nábojem od homokloubu, pak je vidět z druhé strany (zevnitř).
Ložisko a náboj se lisovat nemusí.
vitaml@volny.cz
Fiat Punto 2 ELX - 1,2/8V, 2001, 125 tkm
Brno
Fiat Punto 2 ELX - 1,2/8V, 2001, 125 tkm
Brno
Re: Rozsvietilo sa ABS
nejspíš to čidlo tam bude pěkně "zarostlé" za ty roky,vím jak jsem se pokoušel ho vytáhnout na naší Lancii,ale co tak to zalít brzdovou kapalinou,nechat den působit, poté vyvrtat malým vrtákem dírku do které poté našroubuješ nějaký vrut a zkusit čidlo vyndat
a nebo rychlejší řešení jak píše Vitaml 
CROMA 1.9JTD/110kW r.06 -EMOTION-
Lancia Musa 1.4 16V r.11-PLATINO-
PUNTO 75 ELX r.96
IDEA 1.4 16V/70kW r.07
Stilo 1.6 16V/76kW r.02 Dynamic
Seicento 1.1 SPI HOBBY r.99...
TIPO 1.4 r.94...
UNO 1.5 MPI r.87
Lancia Musa 1.4 16V r.11-PLATINO-
PUNTO 75 ELX r.96
IDEA 1.4 16V/70kW r.07
Stilo 1.6 16V/76kW r.02 Dynamic
Seicento 1.1 SPI HOBBY r.99...
TIPO 1.4 r.94...
UNO 1.5 MPI r.87
Re: Rozsvietilo sa ABS
Před pár lety, když jsem dělal přední nápravu (8 nových dílů na každé straně) jsem se s tím taky trápil, čidla nešla ven, taky jsem je odvrtal, ovšem pak jsem si vyrobil za pár kaček nová (vyznám se v elektronice).
vitaml@volny.cz
Fiat Punto 2 ELX - 1,2/8V, 2001, 125 tkm
Brno
Fiat Punto 2 ELX - 1,2/8V, 2001, 125 tkm
Brno
Re: Rozsvietilo sa ABS
Jee, ty si mi hodil udičku Vitaml. Moc by ma zaujímalo ako si to robil, aké tam idú súčiastky, ako to tá elektronika vyhodnocuje.
Prosím, ak by si mohol napíš mi to.
Díky.
Prosím, ak by si mohol napíš mi to.
Díky.
Re: Rozsvietilo sa ABS
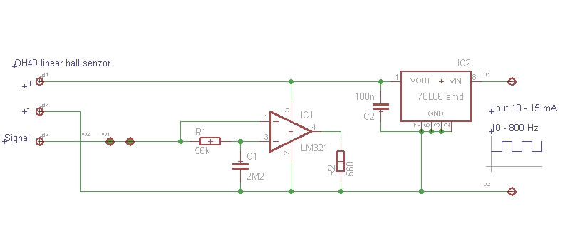
Je potřeba asi toto:
1xLinear Hall OH49 (cca 2 kč Ebay)
1xOZ LM321 (cca 5 kč)
pár odporů a destička do trubičky
práce (zábava)
Zapojit jako proudovou smyčku 4-20 mA, která produkuje impulzy.
Pokud by měl někdo zájem, můžu poslat Eagle soubory.
Funguje mi to už několik let.
1xLinear Hall OH49 (cca 2 kč Ebay)
1xOZ LM321 (cca 5 kč)
pár odporů a destička do trubičky
práce (zábava)
Zapojit jako proudovou smyčku 4-20 mA, která produkuje impulzy.
Pokud by měl někdo zájem, můžu poslat Eagle soubory.
Funguje mi to už několik let.
- Přílohy
-
- snímač ABS2.jpg (63.51 KiB) Zobrazeno 14222 x
-
- snímač ABS.jpg (56.06 KiB) Zobrazeno 14222 x
vitaml@volny.cz
Fiat Punto 2 ELX - 1,2/8V, 2001, 125 tkm
Brno
Fiat Punto 2 ELX - 1,2/8V, 2001, 125 tkm
Brno
Re: Rozsvietilo sa ABS
Nebylo lepší koupit nové čidla? na punto nejsou drahé pokud vím. Ale jinak palec horeVitaml píše:Před pár lety, když jsem dělal přední nápravu (8 nových dílů na každé straně) jsem se s tím taky trápil, čidla nešla ven, taky jsem je odvrtal, ovšem pak jsem si vyrobil za pár kaček nová (vyznám se v elektronice).
Kdybych to byl věděl tak si mi mohl před časem vyrobit nové čidlo na Lancii které už nelze nikde sehnat,a nakonec jsem ho teda sehnal,ale za 2000kč
CROMA 1.9JTD/110kW r.06 -EMOTION-
Lancia Musa 1.4 16V r.11-PLATINO-
PUNTO 75 ELX r.96
IDEA 1.4 16V/70kW r.07
Stilo 1.6 16V/76kW r.02 Dynamic
Seicento 1.1 SPI HOBBY r.99...
TIPO 1.4 r.94...
UNO 1.5 MPI r.87
Lancia Musa 1.4 16V r.11-PLATINO-
PUNTO 75 ELX r.96
IDEA 1.4 16V/70kW r.07
Stilo 1.6 16V/76kW r.02 Dynamic
Seicento 1.1 SPI HOBBY r.99...
TIPO 1.4 r.94...
UNO 1.5 MPI r.87
Re: Rozsvietilo sa ABS
Díval jsem se na ceny a je to kolem tisíce za kus. Když jsem to dělal, byly ještě dražší.
vitaml@volny.cz
Fiat Punto 2 ELX - 1,2/8V, 2001, 125 tkm
Brno
Fiat Punto 2 ELX - 1,2/8V, 2001, 125 tkm
Brno
Re: Rozsvietilo sa ABS
Vitaml píše:Je potřeba asi toto...
Díky moc za popis. Ako som predpokladal, tiež by som to nevedel urobiť.
Ale vidieť, že si moc šikovný. Klobúk dolu..
- Maťo
- Zkušenej Fiaťák
- Příspěvky: 279
- Registrován: 04 led 2011, 19:54
- Bydliště: SK-Orava
- Kontaktovat uživatele:
Re: Rozsvietilo sa ABS
Tak na vrakovisku sa mi podarilo vytiahnuť potrebný abs snímač.Doma som ho aj vymenil a to postupom že navrtal som do odlomeného snímača tenkú dierku a do dierky som naskrutkoval samorezku.Potom som ju uchopil do kombinačiek a vypáčil som zbytok senzoru.
Fiat Punto 1,2 8V 5dv. r.2002
Fiat Multipla 1,6 16V r.2001
Fiat Multipla 1,6 16V r.2001