Nezávislé topení

Vše co se týká techniky, zapojení, ND

Moderátoři: peta.smolik, Globusman

Odpovědět
kajman
Začátečník
Příspěvky: 34
Registrován: 06 říj 2014, 04:47
Bydliště: Zlaté Hory

Nezávislé topení

Příspěvek od kajman »

Zdravím ,prosím o radu se zapojením bufíku. Pár bufíků jsem už úspěšně sobě i několika známým v pohodě zapojil , ale teď jsem v pasti. Dostal se mi do ruky Ebersparcher B5WS z Fordu Focus asi rv 2005-2007 , ale místo standartního 8 pin konektoru ,má jenom 6 pinů a ještě jich je zapojených jen 5 . Schéma co jsem našel na netu jsou právě jen na ten 8 pin. Podle barev drátů jsem ho zapojil a ani nepípl , jestli on vyžaduje zapojení na CAN v autě ,tak jsem asi v pr...i . Prostě ani jedno čerpadlo nehleslo ,je úplně potichu. Co sem čuměl na zapojení spínacích hodin ,které bych v nouzi asi dokoupil, tak mi v konektoru chybí žlutý drát. Mám tam červený + , hnědý - , zelený na palivové čerpadlo , modrobílý má být diagnostika a modrý na teplotní čidlo , který jsem doufal ,že jak na něj přivedu + tak sepne a bufík se rozjede. Tak jestli někdo máte zkušenosti ,prosím o radu ať to maká. Dík za odpovědi k tématu a doufám ,že se to nezvrhne v OT.
Přílohy
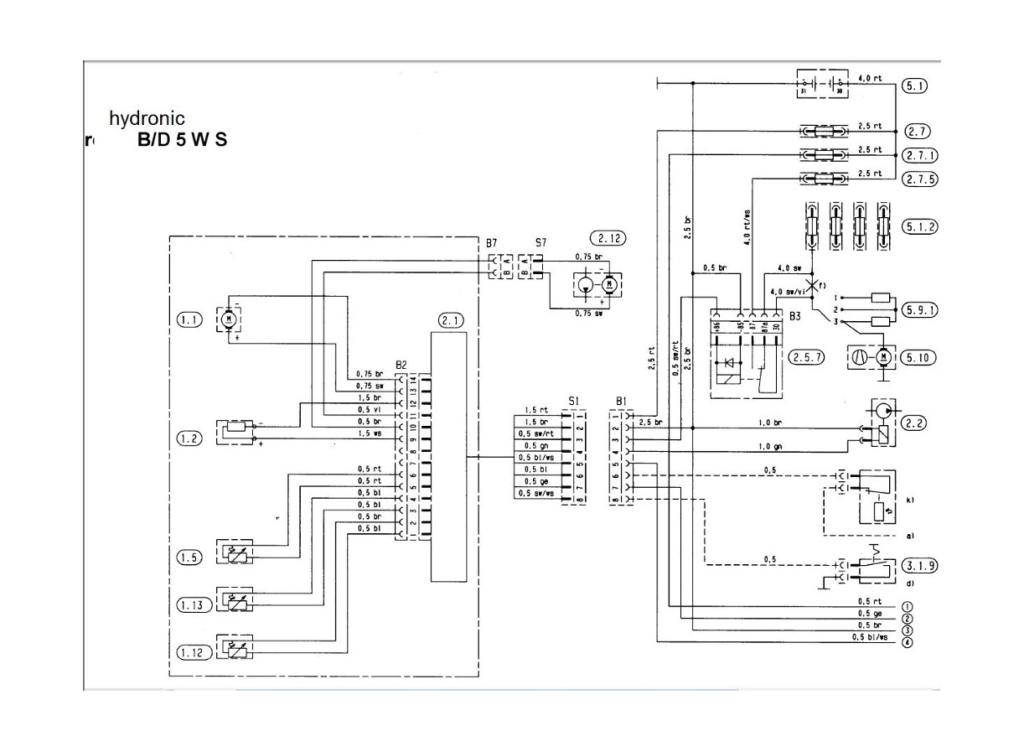
schemat_hydronic3_2.jpg
schemat_hydronic3_2.jpg (63.42 KiB) Zobrazeno 11298 x
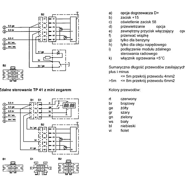
je to sice polsky,ale pro orientaci to stačí
je to sice polsky,ale pro orientaci to stačí
schemat_hydronic3_1.jpg (51.41 KiB) Zobrazeno 11298 x
schemat_hydronic_2011.jpg
schemat_hydronic_2011.jpg (177.88 KiB) Zobrazeno 11298 x
aktual- Doblo 1,2 LPG rv.2003 znárodněné manželkou :-)
- Ducato 2.5tdi 1996 takový samodomo skoro karavan
bylo -R. Sénic 1.6 8v rv.1999
- Multipla 1,9 mjtd
- fiat 850,
- 126p ,
- panda mk1
-Punto 1,9 jtd
-Coupe 2,0 16V
Reklama
 

kajman
Začátečník
Příspěvky: 34
Registrován: 06 říj 2014, 04:47
Bydliště: Zlaté Hory

Re: Nezávislé topení

Příspěvek od kajman »

foto
Přílohy
bufik.JPG
bufik.JPG (35.81 KiB) Zobrazeno 11296 x
aktual- Doblo 1,2 LPG rv.2003 znárodněné manželkou :-)
- Ducato 2.5tdi 1996 takový samodomo skoro karavan
bylo -R. Sénic 1.6 8v rv.1999
- Multipla 1,9 mjtd
- fiat 850,
- 126p ,
- panda mk1
-Punto 1,9 jtd
-Coupe 2,0 16V
panaman1
Znalec
Příspěvky: 898
Registrován: 11 říj 2010, 20:09
Bydliště: ivanka pri dunaji

Re: Nezávislé topení

Příspěvek od panaman1 »

skus ci ti pomoze toto... https://www.butlertechnik.com/downloads ... manual.pdf" onclick="window.open(this.href);return false;
Odpovědět

Zpět na „Technická Sekce“