jak vyndat alternator?
Moderátor: peta.smolik
jak vyndat alternator?
poradte jak vyndat alternator na jtd 85kw? potřebuju vymenit volnobežku a nevim jaka tam je
stilo 1,9jtd 2003 85/110kw
- Reklama
Re: jak vyndat alternator?
Nemusel si zakladať novú tému. Mal si pokračovať v pôvodnej.
Odpojíš akumulátor, zhodíš pravé koleso a všetky plasty pod ním. Zhodíš remeň príslušenstva a povolíš skrutky na alternátore a odpojíš vodiče. Potom uvoľníš silenblok motora (pri rozvodoch), podložíš motor zdvihákom a spustíš ho kúsok dole aby si vybral skrutku. Odspodu ešte musíš zhodiť výfuk a držiak motora. Na voľnobežku potrebuješ špeciálny kľúč. Vygúúgli si ho. Hádam som na nič dôležité nezabudol. Ak to vidíš vieš čo máš povoliť a ako sa k tomu dostať.
Odpojíš akumulátor, zhodíš pravé koleso a všetky plasty pod ním. Zhodíš remeň príslušenstva a povolíš skrutky na alternátore a odpojíš vodiče. Potom uvoľníš silenblok motora (pri rozvodoch), podložíš motor zdvihákom a spustíš ho kúsok dole aby si vybral skrutku. Odspodu ešte musíš zhodiť výfuk a držiak motora. Na voľnobežku potrebuješ špeciálny kľúč. Vygúúgli si ho. Hádam som na nič dôležité nezabudol. Ak to vidíš vieš čo máš povoliť a ako sa k tomu dostať.
Fiat Punto II rv.00 1.9 JTD, Fiat Marea 1.9 JTD 105 chip 130 PS
Re: jak vyndat alternator?
My výfuk nesundávali, ale za to poloosu a držaky kolem. Ovšem měli sme to lehčí, protože sme měli dole i čerpadlo s nálitkem.
Vůbec ti tu práci nezávidím
Kamarád dal do pořádku vše, co měl vymontováno, tak má na pár roku pokoj z té strany.
Vůbec ti tu práci nezávidím
Re: jak vyndat alternator?
Ak už vieš ako na to je to na max pol hodku. Poloos som nemusel dat dole. Iba časť výfuku pod motorom.
Fiat Punto II rv.00 1.9 JTD, Fiat Marea 1.9 JTD 105 chip 130 PS
Re: jak vyndat alternator?
ano je to tak odpojit cast vejfuku a vypacit ho ven....zadřena volnobežba na altiku
stilo 1,9jtd 2003 85/110kw
- elvis.jarous
- Zkušenej Fiaťák
- Příspěvky: 417
- Registrován: 11 úno 2012, 12:28
- Bydliště: Nymburk
Re: jak vyndat alternator?
Příběh o altiku a super elektrice ve stilu:
No, mě to čeká taky. Ta svině italská mi nedala šanci abych se na to připravil, že chcípne altik...
Jeli jsme do Jasné(demanovská dolina) a asi 3 km před hotelem mi začalo svítit ABS, žárovky, palubka začla hrát všema světýlkama ,pwr fuse, a dokonce i alternator flaiure!EBD, Motor Stop! atd atd.
No jo, jenže to už byla baterka úplně v prdeli.To jsem zjistil, když jsem nenastartoval. bylo mi divný, že to nějak málo svítí......
Takže jsem to z kopce nakopnul přes zpátečku a honem do hotelu. Samozřejmě už nic obrysového téměř nesvítilo, posilovač mrtvý, to byla jízda. No, v hotelu jsem to vycuknul a schrastil jsem nabíječku.Ráno jsme jeli do Tatralandie a díky prozíravosti ženy jsme sháněli nejdřív nabiječku v lídlu,NOK a pak nakonec v Lipt.Mikuláši, v kauflandu.No a auto jsem nechal na parkovišti vrčet po čas shánění. Jenže zase problém. A jelikož baterka byla z bráchový oktávky, a žádná chyba dobíjení nepřišla za celou dobu co Stilo mám, tak jsem koupil Aku 74amh za 2000,- v Kaufu v akci.Paráda....to byl už pátek 13.Auto nás odvezlo do Trtalandie a zpět do hotelu bez nejmenších potíží.
No a v neděli mi začlo nanovo všecko v před Žilinou.Dojel jsem bez světel až k Slovnaftu na silnici č.18, výpadovka ze Žiliny a tam čekal asi 4 hodiny v dešti a zimě na bratra s baterií.Bratr dorazil, nejdřív, že mě potáhne, no to byl očistec v dešti, za Makovem mlha jak prase a já se klepal kosou.Řekl, jsem naval vartu já si pojedu sám a tak se stalo.Od té doby jsme vyměnili aku mezi sebou asi 3x asi po1 hodině jízdy vždy, akorát za Holicemi brácha říká, to dáš za Kunětickou horu, jo prdlas. Tak přehodit, oktávku s mojí aku přes kabely nahodit a jeli jsme až do Nymburka.Ještě teď mě bolí hlava, přijeli jsme včera pře půlnocí.
Ženu a synka jsem poslal vlakem ze Žiliny.
Italskej orgazmus to teda byl,ta cesta a to, že ten hajzl neukázal hned, že nedobíjí.Vlastně až když už byla aku vyšťavená.
Čeká mě vycuknout ten altik, to bude porod, pojistka mezi ním a aku asi nebude, že?
Asi ne.Podívám se do e-peru.
Už jen asi rok spoření a jdu do jiného vozu.
Fiat sice jezdí dobře, motor je držák ale tohle mě nasralo a hlavně už je fiat starej.
No, mě to čeká taky. Ta svině italská mi nedala šanci abych se na to připravil, že chcípne altik...
Jeli jsme do Jasné(demanovská dolina) a asi 3 km před hotelem mi začalo svítit ABS, žárovky, palubka začla hrát všema světýlkama ,pwr fuse, a dokonce i alternator flaiure!EBD, Motor Stop! atd atd.
No jo, jenže to už byla baterka úplně v prdeli.To jsem zjistil, když jsem nenastartoval. bylo mi divný, že to nějak málo svítí......
Takže jsem to z kopce nakopnul přes zpátečku a honem do hotelu. Samozřejmě už nic obrysového téměř nesvítilo, posilovač mrtvý, to byla jízda. No, v hotelu jsem to vycuknul a schrastil jsem nabíječku.Ráno jsme jeli do Tatralandie a díky prozíravosti ženy jsme sháněli nejdřív nabiječku v lídlu,NOK a pak nakonec v Lipt.Mikuláši, v kauflandu.No a auto jsem nechal na parkovišti vrčet po čas shánění. Jenže zase problém. A jelikož baterka byla z bráchový oktávky, a žádná chyba dobíjení nepřišla za celou dobu co Stilo mám, tak jsem koupil Aku 74amh za 2000,- v Kaufu v akci.Paráda....to byl už pátek 13.Auto nás odvezlo do Trtalandie a zpět do hotelu bez nejmenších potíží.
No a v neděli mi začlo nanovo všecko v před Žilinou.Dojel jsem bez světel až k Slovnaftu na silnici č.18, výpadovka ze Žiliny a tam čekal asi 4 hodiny v dešti a zimě na bratra s baterií.Bratr dorazil, nejdřív, že mě potáhne, no to byl očistec v dešti, za Makovem mlha jak prase a já se klepal kosou.Řekl, jsem naval vartu já si pojedu sám a tak se stalo.Od té doby jsme vyměnili aku mezi sebou asi 3x asi po1 hodině jízdy vždy, akorát za Holicemi brácha říká, to dáš za Kunětickou horu, jo prdlas. Tak přehodit, oktávku s mojí aku přes kabely nahodit a jeli jsme až do Nymburka.Ještě teď mě bolí hlava, přijeli jsme včera pře půlnocí.
Ženu a synka jsem poslal vlakem ze Žiliny.
Italskej orgazmus to teda byl,ta cesta a to, že ten hajzl neukázal hned, že nedobíjí.Vlastně až když už byla aku vyšťavená.
Čeká mě vycuknout ten altik, to bude porod, pojistka mezi ním a aku asi nebude, že?
Asi ne.Podívám se do e-peru.
Už jen asi rok spoření a jdu do jiného vozu.
Fiat sice jezdí dobře, motor je držák ale tohle mě nasralo a hlavně už je fiat starej.
Fiat Stilo multiwagon 1.9 JTD 16V 103KW 6q
Ø 5,6 l
min.Ø 3,6Litrů
Škoda 100L rv.1976
ex-Škoda Octavia 1,6 SR 74KW Liftback rv.99
ex-opel corsa 1.3 i 3door rv.87
ex-Škoda 105 l rv.87
ex-škoda 120S rally-pokus o repliku
ex-2x škoda 100L modrá
FiatEcuscan+kabel
Ø 5,6 l
min.Ø 3,6Litrů
Škoda 100L rv.1976
ex-Škoda Octavia 1,6 SR 74KW Liftback rv.99
ex-opel corsa 1.3 i 3door rv.87
ex-Škoda 105 l rv.87
ex-škoda 120S rally-pokus o repliku
ex-2x škoda 100L modrá
FiatEcuscan+kabel
- elvis.jarous
- Zkušenej Fiaťák
- Příspěvky: 417
- Registrován: 11 úno 2012, 12:28
- Bydliště: Nymburk
Re: jak vyndat alternator?
Kluci, poraďte mi kde se najde elektroschema, ja to zapomněl.....
altik už jsem si našel v e learnu
altik už jsem si našel v e learnu
Fiat Stilo multiwagon 1.9 JTD 16V 103KW 6q
Ø 5,6 l
min.Ø 3,6Litrů
Škoda 100L rv.1976
ex-Škoda Octavia 1,6 SR 74KW Liftback rv.99
ex-opel corsa 1.3 i 3door rv.87
ex-Škoda 105 l rv.87
ex-škoda 120S rally-pokus o repliku
ex-2x škoda 100L modrá
FiatEcuscan+kabel
Ø 5,6 l
min.Ø 3,6Litrů
Škoda 100L rv.1976
ex-Škoda Octavia 1,6 SR 74KW Liftback rv.99
ex-opel corsa 1.3 i 3door rv.87
ex-Škoda 105 l rv.87
ex-škoda 120S rally-pokus o repliku
ex-2x škoda 100L modrá
FiatEcuscan+kabel
- elvis.jarous
- Zkušenej Fiaťák
- Příspěvky: 417
- Registrován: 11 úno 2012, 12:28
- Bydliště: Nymburk
Re: jak vyndat alternator?
Alternátor nevím, kudy ho vymotat spode, když tam je náprava, poloosa a trubky klimatizace,mě to tudyma nešlo a hlavně se mi nechtělo válet v hlíně.
Mě to šlo vrchem
Demotnoval jsem nějakej podtlakovej sráč, sundal bajonet s hadičkou plný nafty z nějaký krabičky, povolil a odehnul trubku olejové měrky a altik je venku.O stavu se můžete přesvěčit z přiložených obrázků.
Uhlíky a kroužky jsem již poptal.
Stejný altik rozebírán na dvouch odkazech youtube.
https://www.youtube.com/watch?v=8tvXocfXyic
a
https://www.youtube.com/watch?v=VHFMhG47VGk
čeká mě obojí.
Je to hračka, když má člověk podle čeho a s čím dělat.
Mě to šlo vrchem
Demotnoval jsem nějakej podtlakovej sráč, sundal bajonet s hadičkou plný nafty z nějaký krabičky, povolil a odehnul trubku olejové měrky a altik je venku.O stavu se můžete přesvěčit z přiložených obrázků.
Uhlíky a kroužky jsem již poptal.
Stejný altik rozebírán na dvouch odkazech youtube.
https://www.youtube.com/watch?v=8tvXocfXyic
a
https://www.youtube.com/watch?v=VHFMhG47VGk
čeká mě obojí.
Je to hračka, když má člověk podle čeho a s čím dělat.
- Přílohy
-
- IMG_20151119_150838 (1) (1).jpg (241.8 KiB) Zobrazeno 12555 x
-
- IMG_20151119_150822.jpg (242.43 KiB) Zobrazeno 12555 x
Fiat Stilo multiwagon 1.9 JTD 16V 103KW 6q
Ø 5,6 l
min.Ø 3,6Litrů
Škoda 100L rv.1976
ex-Škoda Octavia 1,6 SR 74KW Liftback rv.99
ex-opel corsa 1.3 i 3door rv.87
ex-Škoda 105 l rv.87
ex-škoda 120S rally-pokus o repliku
ex-2x škoda 100L modrá
FiatEcuscan+kabel
Ø 5,6 l
min.Ø 3,6Litrů
Škoda 100L rv.1976
ex-Škoda Octavia 1,6 SR 74KW Liftback rv.99
ex-opel corsa 1.3 i 3door rv.87
ex-Škoda 105 l rv.87
ex-škoda 120S rally-pokus o repliku
ex-2x škoda 100L modrá
FiatEcuscan+kabel
- elvis.jarous
- Zkušenej Fiaťák
- Příspěvky: 417
- Registrován: 11 úno 2012, 12:28
- Bydliště: Nymburk
Re: jak vyndat alternator?
Takže uhlíky se dají sehnat a jsou skladem od 43,-
sběrné kroužky na rotor skladem od 103,-
Z toho ešopu, co jsou tyhle supr ceny se mi ale ozvali pozdě, když už mi vezlo PPL díly v cenách 213,- kroužky a 93,- uhlíky.
Takže i tak dobrý.
sběrné kroužky na rotor skladem od 103,-
Z toho ešopu, co jsou tyhle supr ceny se mi ale ozvali pozdě, když už mi vezlo PPL díly v cenách 213,- kroužky a 93,- uhlíky.
Takže i tak dobrý.
Fiat Stilo multiwagon 1.9 JTD 16V 103KW 6q
Ø 5,6 l
min.Ø 3,6Litrů
Škoda 100L rv.1976
ex-Škoda Octavia 1,6 SR 74KW Liftback rv.99
ex-opel corsa 1.3 i 3door rv.87
ex-Škoda 105 l rv.87
ex-škoda 120S rally-pokus o repliku
ex-2x škoda 100L modrá
FiatEcuscan+kabel
Ø 5,6 l
min.Ø 3,6Litrů
Škoda 100L rv.1976
ex-Škoda Octavia 1,6 SR 74KW Liftback rv.99
ex-opel corsa 1.3 i 3door rv.87
ex-Škoda 105 l rv.87
ex-škoda 120S rally-pokus o repliku
ex-2x škoda 100L modrá
FiatEcuscan+kabel
Re: jak vyndat alternator?
a dáš nám odkaz na e-shop kde jsou také fajné ceny? 
- elvis.jarous
- Zkušenej Fiaťák
- Příspěvky: 417
- Registrován: 11 úno 2012, 12:28
- Bydliště: Nymburk
Re: jak vyndat alternator?
jasně že , stačí zadat číslo dílu-alternátoru a ono to vyjede díly i alternátory:
http://starvis.cz/
a nebo toto číslo tam poptat a oni se ozvou, kdyžby se nedařilo to najít.Mě se to napoprvé povedlo.
Zkrátka fungujou.
http://starvis.cz/
a nebo toto číslo tam poptat a oni se ozvou, kdyžby se nedařilo to najít.Mě se to napoprvé povedlo.
Zkrátka fungujou.
Fiat Stilo multiwagon 1.9 JTD 16V 103KW 6q
Ø 5,6 l
min.Ø 3,6Litrů
Škoda 100L rv.1976
ex-Škoda Octavia 1,6 SR 74KW Liftback rv.99
ex-opel corsa 1.3 i 3door rv.87
ex-Škoda 105 l rv.87
ex-škoda 120S rally-pokus o repliku
ex-2x škoda 100L modrá
FiatEcuscan+kabel
Ø 5,6 l
min.Ø 3,6Litrů
Škoda 100L rv.1976
ex-Škoda Octavia 1,6 SR 74KW Liftback rv.99
ex-opel corsa 1.3 i 3door rv.87
ex-Škoda 105 l rv.87
ex-škoda 120S rally-pokus o repliku
ex-2x škoda 100L modrá
FiatEcuscan+kabel
- elvis.jarous
- Zkušenej Fiaťák
- Příspěvky: 417
- Registrován: 11 úno 2012, 12:28
- Bydliště: Nymburk
Re: jak vyndat alternator?
tak altik mi stejně nedobíjí. Pátrám dál, a študuju proč asi.
točím s ním vrtačkou 1300 otáček a nic.Připojil jsem ho na baterii.Auto má na volnoběh 900 otáček tak si myslím, že ta vrtačka stačí.
Z altiku jde tlustej vývod + a slabej vývod +. Nevíte proč? Musí se to propojit nebo ne?
točím s ním vrtačkou 1300 otáček a nic.Připojil jsem ho na baterii.Auto má na volnoběh 900 otáček tak si myslím, že ta vrtačka stačí.
Z altiku jde tlustej vývod + a slabej vývod +. Nevíte proč? Musí se to propojit nebo ne?
Fiat Stilo multiwagon 1.9 JTD 16V 103KW 6q
Ø 5,6 l
min.Ø 3,6Litrů
Škoda 100L rv.1976
ex-Škoda Octavia 1,6 SR 74KW Liftback rv.99
ex-opel corsa 1.3 i 3door rv.87
ex-Škoda 105 l rv.87
ex-škoda 120S rally-pokus o repliku
ex-2x škoda 100L modrá
FiatEcuscan+kabel
Ø 5,6 l
min.Ø 3,6Litrů
Škoda 100L rv.1976
ex-Škoda Octavia 1,6 SR 74KW Liftback rv.99
ex-opel corsa 1.3 i 3door rv.87
ex-Škoda 105 l rv.87
ex-škoda 120S rally-pokus o repliku
ex-2x škoda 100L modrá
FiatEcuscan+kabel
Re: jak vyndat alternator?
Nemusí se nic propojovat.
ten slabý drát je na kontrolku dobíjení.
měřit mezi +B silný drát a kostra altiku.
těch 1300 ot stačí. předpokládam že smysl ot. máš správně.
řikaš že uhlíky a kroužky si vyměnil, a co regulator?
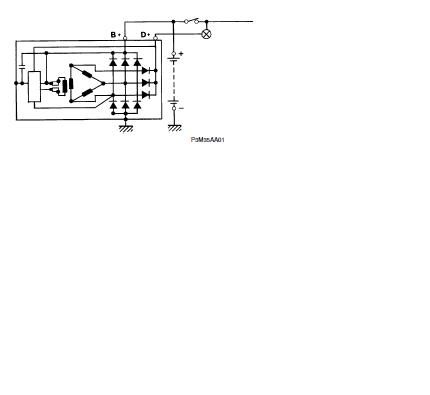
tady je schema altiku.je to punto ale princip je stejný.
ten slabý drát je na kontrolku dobíjení.
měřit mezi +B silný drát a kostra altiku.
těch 1300 ot stačí. předpokládam že smysl ot. máš správně.
řikaš že uhlíky a kroužky si vyměnil, a co regulator?
tady je schema altiku.je to punto ale princip je stejný.
Rossi
Fiat Punto 1.6Mk1 90 ELX resuscitován
AUDI A6 3.0 Quatro 2002
Fiat Punto 1.6Mk1 90 ELX resuscitován
AUDI A6 3.0 Quatro 2002
- elvis.jarous
- Zkušenej Fiaťák
- Příspěvky: 417
- Registrován: 11 úno 2012, 12:28
- Bydliště: Nymburk
Re: jak vyndat alternator?
konečně někdo znalej.Ne, regulator jsem neměnil,protože podle prvotních příznaků to vypadalo na sběr....
dokážu ten tranzistor proměřit?Dva vývody jsou průchozí, když to dám na měření diodu. Směr otáčení je po směru hodinových ručiček.Šipka na štítku je i je vyseklá pomyslná díra v krytu altiku pohledem na stranu od řemenice.
dokážu ten tranzistor proměřit?Dva vývody jsou průchozí, když to dám na měření diodu. Směr otáčení je po směru hodinových ručiček.Šipka na štítku je i je vyseklá pomyslná díra v krytu altiku pohledem na stranu od řemenice.
Fiat Stilo multiwagon 1.9 JTD 16V 103KW 6q
Ø 5,6 l
min.Ø 3,6Litrů
Škoda 100L rv.1976
ex-Škoda Octavia 1,6 SR 74KW Liftback rv.99
ex-opel corsa 1.3 i 3door rv.87
ex-Škoda 105 l rv.87
ex-škoda 120S rally-pokus o repliku
ex-2x škoda 100L modrá
FiatEcuscan+kabel
Ø 5,6 l
min.Ø 3,6Litrů
Škoda 100L rv.1976
ex-Škoda Octavia 1,6 SR 74KW Liftback rv.99
ex-opel corsa 1.3 i 3door rv.87
ex-Škoda 105 l rv.87
ex-škoda 120S rally-pokus o repliku
ex-2x škoda 100L modrá
FiatEcuscan+kabel
Re: jak vyndat alternator?
řekl bych že regulator to má zasebou.žádný vývod nesmí být ve skratu s jiným.
vždy musí multimetr při diod. testu ukazovat v propustnem směru nějaký úbytek napětí.
tak asi 0,5-0,6V. V opačném směru musi byt nekonečný odpor,čili měřák neukáže nic.
bude na display něco takového:0L
vždy musí multimetr při diod. testu ukazovat v propustnem směru nějaký úbytek napětí.
tak asi 0,5-0,6V. V opačném směru musi byt nekonečný odpor,čili měřák neukáže nic.
bude na display něco takového:0L
Rossi
Fiat Punto 1.6Mk1 90 ELX resuscitován
AUDI A6 3.0 Quatro 2002
Fiat Punto 1.6Mk1 90 ELX resuscitován
AUDI A6 3.0 Quatro 2002