Jak opravit netěsnost chlazení??

Vše o motoru a převodovém ústrojí, poruchy, úpravy, rady a typy, topení a chazení

Moderátoři: peta.smolik, mad mike, Matto, Katy

Odpovědět
Picasso
Fiaťák
Příspěvky: 51
Registrován: 24 lis 2011, 12:18
Bydliště: Zábřeh

Jak opravit netěsnost chlazení??

Příspěvek od Picasso »

Zdravím vás chlapi.
Potřeboval bych od vás radu.Mám Fiat Punto 1.2 43kW benzín a začalo mi kapat chlazení motoru a to v místě kde v přední části motoru je nasunutá černá plechová trubka do bloku motoru(viz.foto).Nevíte jestli se to dá nějak přetěsnit nebo tak něco?Prosím poraďte mi co se s tím dá udělat?

Děkuju vám předem za jakýkoliv tip či radu.
Přílohy
IMG_1004-1.jpg
IMG_1004-1.jpg (48.08 KiB) Zobrazeno 4834 x
IMG_1003-1.jpg
IMG_1003-1.jpg (53.73 KiB) Zobrazeno 4834 x
Fiat Punto (176) 1.2 8V,44kW,benzín,Mk1,r.v.1997
Reklama
 

Uživatelský avatar
rossi
Znalec
Příspěvky: 802
Registrován: 10 zář 2008, 16:07
Bydliště: Slavkov u Brna

Re: Jak opravit netěsnost chlazení??

Příspěvek od rossi »

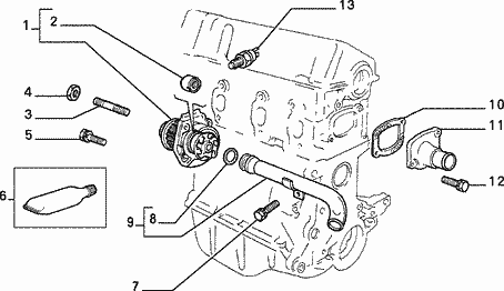
Je tam O kroužek.Takže vypustit chl.kapalinu vyměnit O kr. a znovu nalit a odvzdušnit.
Přílohy
trubka.png
trubka.png (9.86 KiB) Zobrazeno 4830 x
Rossi
Fiat Punto 1.6Mk1 90 ELX resuscitován
AUDI A6 3.0 Quatro 2002
Uživatelský avatar
karelsoucek
Fiaťák
Příspěvky: 71
Registrován: 26 úno 2009, 22:52
Bydliště: Jihlava

Re: Jak opravit netěsnost chlazení??

Příspěvek od karelsoucek »

Dá se to rozebrat, očistit a dát nový těsnící kroužek.
Bohužel. nevím rozměry kroužku.
Karel Jihlava
Fiat Punto Cabriolet 1,2 16V 85
Uživatelský avatar
nero
Fiaťák
Příspěvky: 80
Registrován: 31 bře 2014, 18:13

Re: Jak opravit netěsnost chlazení??

Příspěvek od nero »

objednať podla obrázku z e-per vo fiate, obyčajný O kružok nemôže stáť veľa a budeš mať originál, doplnam podla e-per stojí 2,18€
Bravo II 1,4 66 Kw rok 9/2009
Uživatelský avatar
rossi
Znalec
Příspěvky: 802
Registrován: 10 zář 2008, 16:07
Bydliště: Slavkov u Brna

Re: Jak opravit netěsnost chlazení??

Příspěvek od rossi »

rozměr-Ф29.74 x 3.53mm
Rossi
Fiat Punto 1.6Mk1 90 ELX resuscitován
AUDI A6 3.0 Quatro 2002
Picasso
Fiaťák
Příspěvky: 51
Registrován: 24 lis 2011, 12:18
Bydliště: Zábřeh

Re: Jak opravit netěsnost chlazení??

Příspěvek od Picasso »

Vyčerpávající odpovědi.Mockrát vám děkuju.Bál jsem se to rozebrat,aby to šlo pak složit.Hned zítra objednám O kroužek a pustím se do toho.

Ještě jednou moooooc DÍKY
Fiat Punto (176) 1.2 8V,44kW,benzín,Mk1,r.v.1997
Picasso
Fiaťák
Příspěvky: 51
Registrován: 24 lis 2011, 12:18
Bydliště: Zábřeh

Re: Jak opravit netěsnost chlazení??

Příspěvek od Picasso »

Nedokážete mi někdo zjistit katalogové číslo toho kroužku?Pokouším se ho najít,ale zatím marně.
Fiat Punto (176) 1.2 8V,44kW,benzín,Mk1,r.v.1997
Uživatelský avatar
rossi
Znalec
Příspěvky: 802
Registrován: 10 zář 2008, 16:07
Bydliště: Slavkov u Brna

Re: Jak opravit netěsnost chlazení??

Příspěvek od rossi »

Rossi
Fiat Punto 1.6Mk1 90 ELX resuscitován
AUDI A6 3.0 Quatro 2002
Picasso
Fiaťák
Příspěvky: 51
Registrován: 24 lis 2011, 12:18
Bydliště: Zábřeh

Re: Jak opravit netěsnost chlazení??

Příspěvek od Picasso »

Děkuji

Koukalj sem na ten E-per a je tam spoooooustu věcí.Děkuji vám všem za pomoc.Doufám,že ten O kroužek někde seženu.
Fiat Punto (176) 1.2 8V,44kW,benzín,Mk1,r.v.1997
Uživatelský avatar
nero
Fiaťák
Příspěvky: 80
Registrován: 31 bře 2014, 18:13

Re: Jak opravit netěsnost chlazení??

Příspěvek od nero »

Prečo by si nezohnall vo fiate ti ho objednajú a na druhý deň ho máš, cena ako som písal aspoň v Sk to tak funguje.
Bravo II 1,4 66 Kw rok 9/2009
Odpovědět

Zpět na „Punto - motor“