Nechybi tam neco ?

Nevíte kam to patří, pište to sem ...

Moderátoři: intel_sk, peta.smolik, mad mike, Matto, Katy

Odpovědět
xmorfeuz
Začátečník
Příspěvky: 12
Registrován: 17 úno 2013, 22:28

Nechybi tam neco ?

Příspěvek od xmorfeuz »

Ahojte punto mk1 ma pry nejak odpojenou klimatizaci, puvodne pry fungovala, chtel bych ji zpatky zapojit. A jedine ceho jsem si vsiml ze chybi je toto: viz obrazky

muzete mi rict co tam patri ? a asi k tomu vedou ty dve hadice ze ?

dekuji
Přílohy
WP_20140506_002.jpg
WP_20140506_002.jpg (194.44 KiB) Zobrazeno 2641 x
WP_20140506_001.jpg
WP_20140506_001.jpg (180.4 KiB) Zobrazeno 2641 x
Reklama
 

Uživatelský avatar
rossi
Znalec
Příspěvky: 802
Registrován: 10 zář 2008, 16:07
Bydliště: Slavkov u Brna

Re: Nechybi tam neco ?

Příspěvek od rossi »

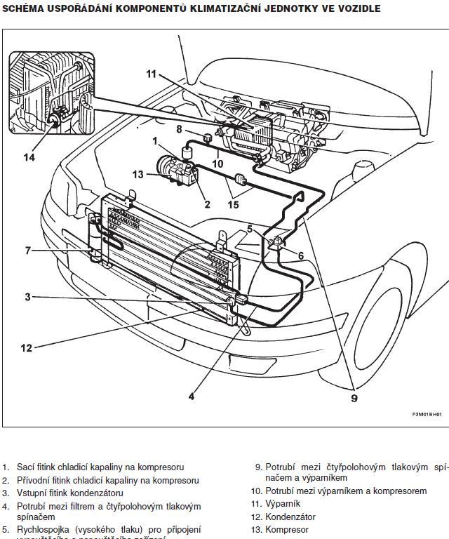
podle mě ti tam chybí chladič/kondensator/ klimy.
Přílohy
klima.JPG
klima.JPG (97.07 KiB) Zobrazeno 2636 x
Rossi
Fiat Punto 1.6Mk1 90 ELX resuscitován
AUDI A6 3.0 Quatro 2002
Odpovědět

Zpět na „Punto - ostatní diskuse“