punto cabrio strecha ???
Moderátoři: intel_sk, peta.smolik, mad mike, Matto, Katy, zokot
punto cabrio strecha ???
zdravym sem novopeceny majitel punta cabria a mam dotaz mam el skladacy strechu a potreboval bych vedet jestli se da nak doplnit ten servo motor strechy a čím a jestli někdo nemate elektrycky schema k ty strese diky za odpovedi
uno mk.1 1.3D, 1.4TD
uno mk.2 1,4T, 1,5 1,0
tempra 1,6
tipo 1,6
coupé 2,0 16v
punto 1,1 6speed, 1,2, 1,7TD, 1,6 cabrio
uno mk.2 1,4T, 1,5 1,0
tempra 1,6
tipo 1,6
coupé 2,0 16v
punto 1,1 6speed, 1,2, 1,7TD, 1,6 cabrio
- Reklama
- karelsoucek
- Fiaťák
- Příspěvky: 71
- Registrován: 26 úno 2009, 22:52
- Bydliště: Jihlava
Re: punto cabrio strecha ???
poikus se stáhnout někde manuál
- Přílohy
-
- Střecha hydraulika 3.jpg (83.54 KiB) Zobrazeno 4895 x
-
- Střecha hydraulika 2.jpg (71.88 KiB) Zobrazeno 4895 x
-
- Střecha hydraulika 1.jpg (81.37 KiB) Zobrazeno 4895 x
Karel Jihlava
Fiat Punto Cabriolet 1,2 16V 85
Fiat Punto Cabriolet 1,2 16V 85
- karelsoucek
- Fiaťák
- Příspěvky: 71
- Registrován: 26 úno 2009, 22:52
- Bydliště: Jihlava
Re: punto cabrio strecha ???
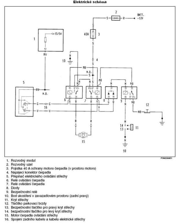
ještě schéma
- Přílohy
-
- Střecha hydraulika 4.jpg (41.92 KiB) Zobrazeno 4893 x
Karel Jihlava
Fiat Punto Cabriolet 1,2 16V 85
Fiat Punto Cabriolet 1,2 16V 85
Re: punto cabrio strecha ???
no parada
diky moc manuali sem stahoval ale všechny jen na obyč punto o kabru ani čarka dikes 
uno mk.1 1.3D, 1.4TD
uno mk.2 1,4T, 1,5 1,0
tempra 1,6
tipo 1,6
coupé 2,0 16v
punto 1,1 6speed, 1,2, 1,7TD, 1,6 cabrio
uno mk.2 1,4T, 1,5 1,0
tempra 1,6
tipo 1,6
coupé 2,0 16v
punto 1,1 6speed, 1,2, 1,7TD, 1,6 cabrio