Punto nestartuje - elektrika?
Moderátoři: peta.smolik, mad mike, Matto, Katy
Punto nestartuje - elektrika?
Punto rok výroby 1999 začalo zlobit, občas nestartuje. Po otočení klíčku panel a kontrolky normálně svítí. Při stisknutí startéru nic necvakne, netočí se. Prostě ani ťuk. Když Punto roztlačíme, normálně naskočí a pak několik dní startuje normálně. Pak najednou zničeho nic znovu nestartuje, po roztlačení znovu OK. Baterka je v pořádku.
Stalo se vám to někomu? V čem může být problém?
Stalo se vám to někomu? V čem může být problém?
- Reklama
Re: Punto nestartuje - elektrika?
vpravo nahoře na stánce je funkce Hledat(třetí zprava)- po zadání dotazu punto nestartuje určitě vyskočí "milion" odpovědí. toto tema nechám ještě běžet, ale pokud tu někdo něco napíše hned ho mažu!
Fiat Freemont 2.0 125kw 4x4
Fiat Marea weekend 1,6 16V 76kW
Fiat Punto II 1,8 16V Hgt, 96kW azurový démon, na ND
Fiat Tipo 1,7D dgt http://www.fiattipo.net už jen ve vzpomínkách
Fiat Marea weekend 1,6 16V 76kW
Fiat Punto II 1,8 16V Hgt, 96kW azurový démon, na ND
Fiat Tipo 1,7D dgt http://www.fiattipo.net už jen ve vzpomínkách
Re: Punto nestartuje - elektrika?
Příteli, ujišťuji tě, že jsem forum prohledal důkladně, ale ANI JEDEN popsaný problém neodpovídá mému. Všude se řeší slabá baterka, nebo že startér točí s motorem ale nechytá. Když si dáš ty sám práci, pozorně si přečteš mou otázku, zjistiš, že se jedná o nový ŮPLNĚ JINÝ problém.
Re: Punto nestartuje - elektrika?
2:mad mike
Koukám, že umíš dobře radit, ale při realizaci vlastních schopností při odstraňování závad v elektroinstalaci jsi přímo specialista ve vyhledávání. Tak si zařaď zpátečku a možná se ti krom rádia i rozsvítí.
Koukám, že umíš dobře radit, ale při realizaci vlastních schopností při odstraňování závad v elektroinstalaci jsi přímo specialista ve vyhledávání. Tak si zařaď zpátečku a možná se ti krom rádia i rozsvítí.
Fiat Bravo Emotion rv.2008 1.4 T-Jet 110kW
Fiat Punto MkII 1,2 16V ELX rv.2001
Fiat Marea 1,6 16V ELX rv.2000 ex.2016 frajer nedobrzdil
Fiat 127 rv.1972 ex.2008 dožil
Fiat 125 Speciál rv.1969 ex.2007 dožil
Fiat 125 rv.1968 ex.1997 dožil
Fiat Punto MkII 1,2 16V ELX rv.2001
Fiat Marea 1,6 16V ELX rv.2000 ex.2016 frajer nedobrzdil
Fiat 127 rv.1972 ex.2008 dožil
Fiat 125 Speciál rv.1969 ex.2007 dožil
Fiat 125 rv.1968 ex.1997 dožil
Re: Punto nestartuje - elektrika?
Pokud otočíš klíčkem do startovací polohy, tak se ti musí objevit napětí na cívce starteru, je to takový tenčí drát vedoucí na ten váleček co je na boku starteru. Pokud tam naměříš tvrdé napětí a starter necvaká tak to bude mít nejspíš cívka už za sebou, může mít uklepaný drát ve vnitřku cívky a muže a nemusí mít kontakt, dále se může kousat jádro cívky (mechanicky - vyběhané). Pokud cvakne a nic se neděje, tak potom pokud je kladné napětí na těch šroubech M8 tak cívka převádí, ale nepobere to starter (spálený, ale většinou ojeté uhlíky popřípadě zadělaná kotva).
1)tak nejdříve zjisti jestli ti při startování jde "+" na cívku tím tenčím drátem na tom tlustém červeném (většinou) co jde od baterky na šroub M8 je "+" vždy.
a) pokud tam není "+" na cívce, vem kabel připoj ho místo té ovladačky na starteru a při klíčkách v provozní poloze ho připoj na plus, pokud je starter v pořádku, tak to nastartuje.
b) pokud provedeš pokus z bodu a) a to i přes to, že si na cívce naměřil napětí, ale nenastartuje to , tak vyndej starter, pokud to bude startovat a přes klíček ne, tak bude někde přechoďák na přívodu ovladačky, digitální multimetr má zpoždění při vyhodnocování a obecně je dost pomalý, tak se to může tvářit, že tam napětí je.
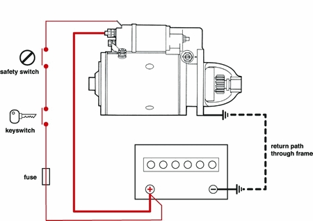
Tohle by ti mohlo pro začátek stačit, až se v tomto ohledu pohneme dále, tak budu pokračovat, přikládám ti jednoduché schema el. ovládání starteru.
1)tak nejdříve zjisti jestli ti při startování jde "+" na cívku tím tenčím drátem na tom tlustém červeném (většinou) co jde od baterky na šroub M8 je "+" vždy.
a) pokud tam není "+" na cívce, vem kabel připoj ho místo té ovladačky na starteru a při klíčkách v provozní poloze ho připoj na plus, pokud je starter v pořádku, tak to nastartuje.
b) pokud provedeš pokus z bodu a) a to i přes to, že si na cívce naměřil napětí, ale nenastartuje to , tak vyndej starter, pokud to bude startovat a přes klíček ne, tak bude někde přechoďák na přívodu ovladačky, digitální multimetr má zpoždění při vyhodnocování a obecně je dost pomalý, tak se to může tvářit, že tam napětí je.
Tohle by ti mohlo pro začátek stačit, až se v tomto ohledu pohneme dále, tak budu pokračovat, přikládám ti jednoduché schema el. ovládání starteru.
- Přílohy
-
- GetFile.jpg (45.96 KiB) Zobrazeno 6703 x
Fiat Bravo Emotion rv.2008 1.4 T-Jet 110kW
Fiat Punto MkII 1,2 16V ELX rv.2001
Fiat Marea 1,6 16V ELX rv.2000 ex.2016 frajer nedobrzdil
Fiat 127 rv.1972 ex.2008 dožil
Fiat 125 Speciál rv.1969 ex.2007 dožil
Fiat 125 rv.1968 ex.1997 dožil
Fiat Punto MkII 1,2 16V ELX rv.2001
Fiat Marea 1,6 16V ELX rv.2000 ex.2016 frajer nedobrzdil
Fiat 127 rv.1972 ex.2008 dožil
Fiat 125 Speciál rv.1969 ex.2007 dožil
Fiat 125 rv.1968 ex.1997 dožil
Re: Punto nestartuje - elektrika?
To martin72.
Perfektní odpověď na dotaz.
Perfektní odpověď na dotaz.
FIAT PUNTO MK ll HLX 1,9 JTD 80/59KW. 9.99 5 dv.šedostříbr.meta.
Re: Punto nestartuje - elektrika?
2: Jaroslav1
dík
Pro ty co nikdy neviděli starter a chtěly by se s ním seznámit, jsem vybral pár obrázků, kde je i vnitřní schema zapojení vinutí samotného starteru , jedná se o sériové zapojení stator/rotor.
Pokud by chtěl někdo vyzkoušet jestli se točí startér a chtěl to provést proklemováním silových kontaktů (šrouby M8) tak to lze, ale nedělejte to na starteru namontovaném na vozidle, přestože otáčky nezatíženého starteru nejsou nikterak vysoké, může to stačit na volné vhození (přetlačí to vratnou pružinu cívky) záběrového pastorku do věnce setrvačníku. Záběrový pastorek s volnoběžkou je totiž unášen rotorem s drážkovanou hřídelí do šroubovice, kde směr otáčení startéru tlačí pastorek do záběru.
dík
Pro ty co nikdy neviděli starter a chtěly by se s ním seznámit, jsem vybral pár obrázků, kde je i vnitřní schema zapojení vinutí samotného starteru , jedná se o sériové zapojení stator/rotor.
Pokud by chtěl někdo vyzkoušet jestli se točí startér a chtěl to provést proklemováním silových kontaktů (šrouby M8) tak to lze, ale nedělejte to na starteru namontovaném na vozidle, přestože otáčky nezatíženého starteru nejsou nikterak vysoké, může to stačit na volné vhození (přetlačí to vratnou pružinu cívky) záběrového pastorku do věnce setrvačníku. Záběrový pastorek s volnoběžkou je totiž unášen rotorem s drážkovanou hřídelí do šroubovice, kde směr otáčení startéru tlačí pastorek do záběru.
- Přílohy
-
- starter_cutaway.jpg (42.17 KiB) Zobrazeno 6620 x
-
- Bosch Starter.JPG (66.47 KiB) Zobrazeno 6620 x
-
- Automobile_starter.JPG (159.77 KiB) Zobrazeno 6620 x
Fiat Bravo Emotion rv.2008 1.4 T-Jet 110kW
Fiat Punto MkII 1,2 16V ELX rv.2001
Fiat Marea 1,6 16V ELX rv.2000 ex.2016 frajer nedobrzdil
Fiat 127 rv.1972 ex.2008 dožil
Fiat 125 Speciál rv.1969 ex.2007 dožil
Fiat 125 rv.1968 ex.1997 dožil
Fiat Punto MkII 1,2 16V ELX rv.2001
Fiat Marea 1,6 16V ELX rv.2000 ex.2016 frajer nedobrzdil
Fiat 127 rv.1972 ex.2008 dožil
Fiat 125 Speciál rv.1969 ex.2007 dožil
Fiat 125 rv.1968 ex.1997 dožil
Re: Punto nestartuje - elektrika?
Pánové díky za rady a osvětu. Jak to celé dopadlo? Po nějakém čase přestalo Punto startovat úplně. Opravdu byl vadný startér - zřejmě zůstávalo viset jádro. Po roztlačení auta se asi otřesy znovu uvolnilo a nějakou dobu chodilo než umřelo úplně. Takže ještě jednou dík 
Re: Punto nestartuje - elektrika?
Určitě máš dobré nervy tak dlouho (8 měs.)paaja píše:Pánové díky za rady a osvětu. Jak to celé dopadlo? Po nějakém čase přestalo Punto startovat úplně. Opravdu byl vadný startér - zřejmě zůstávalo viset jádro. Po roztlačení auta se asi otřesy znovu uvolnilo a nějakou dobu chodilo než umřelo úplně. Takže ještě jednou dík
FIAT PUNTO MK ll HLX 1,9 JTD 80/59KW. 9.99 5 dv.šedostříbr.meta.