Schéma ŘJ
Moderátoři: peta.smolik, mad mike, Matto, Katy
Re: Schéma ŘJ
Shánět novou ŘJ je vždycky až to poslední a nevím ani jak je to na Puntu II s imobilizérem atd. Já bych osobně začal důkladnou kontrolou všech kabelů, očištěním kontaktů a ukostřovacích bodů. Připadá mi daleko pravděpodobnější, že je někde něco zrezlé, zašlé, prodřené atp. než že by byla vadná ŘJ.
- Reklama
Re: Schéma ŘJ
Díky, zkusím co mě napadne a když nenajdu schéma, zkusím pátrat... Snad to k něčemu bude 
Fiat Punto Mk2 1.2 8V
- SpiritWolker
- Všeználek
- Příspěvky: 1338
- Registrován: 11 dub 2008, 00:56
- Bydliště: Bratislava
Re: Schéma ŘJ
schemu asi nenajdes,
chces v tom nieco opravit?
zapojenie motorovej kabelaze najdes v knihe Punto jan na to, tak isto zapojenie kabelaze od poistkovej skrinky v motorovom priestore do kabiny,
vymena kabelaze ak mas taku istu trva od 2h do 4h neni to zlozite, pokial nemusis doplnat kabelaz
ja som doplnal informaciu o rychlosti a ovladanie klimatizacie
ake chyby ti teraz vypisuje rj? vypisuje ti stale chybu cievok?
chces v tom nieco opravit?
zapojenie motorovej kabelaze najdes v knihe Punto jan na to, tak isto zapojenie kabelaze od poistkovej skrinky v motorovom priestore do kabiny,
vymena kabelaze ak mas taku istu trva od 2h do 4h neni to zlozite, pokial nemusis doplnat kabelaz
ja som doplnal informaciu o rychlosti a ovladanie klimatizacie
ake chyby ti teraz vypisuje rj? vypisuje ti stale chybu cievok?
- Přílohy
-
- rj_001.jpg (153.94 KiB) Zobrazeno 5789 x
Opravujem servo-riadenia Fiat Punto II, Punto Grande EVO, Panda
Servo-motory Punto II (188 rv1999-2003) cena 50e/1400kč posielam aj poštou
SK mobil +421 905 642 805
CZ mobil +420 739 929 544
alebo napište spravu
Re: Schéma ŘJ
Ne ne, přímo v jednotce ne. Ale který kablíky slouží jako napájení jednotky? A jaká je jejich cesta... To musím zkontrolovat... Píše to jen, že vypadne řídící jednotka... Tudíž tuším, že bude problém v napájení nebo nic jiného mě nenapadá. Musí se vždycky něco stát a přestane to napájet řj. Když vytáhnu kontakt od baterky a dám ho zpět, vše funguje jak má... Takže zase na druhou stranu si myslím že by odpovídalo třeba nějáké relátko, ale má na to vliv nějáké?
Fiat Punto Mk2 1.2 8V
Re: Schéma ŘJ
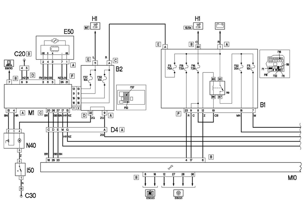
Našel jsem schéma zapojení řídící jednotky.
Popis přístrojů:
A30 Cívka zapalování
B1 Pojistková skříňka v motorovém prostoru
B2 Pojistková skříňka pod palubní deskou
C10 Ukostření
C20 Ukostření
C30 Ukostření
C40 Ukostření
E50 Přístrojová deska
I50 Bezpečnostní odpojovač přívodu paliva
K15 Lambda sonda před katalyzátorem
K16 Lambda sonda za katalyzátorem
K30 Snímač nedostatečného tlaku motorového oleje
K43 Snímač teploty a tlaku vzduchu
K45 Snímač teploty motoru pro el. ventilátor
K46 Snímač otáček
K47 Snímač fáze ojnice
K50 Snímač klepání
K56 Snímač polohy škrtící klapky
K84 Snímač tachometru
L10 El. ventil odvětrávání palivových par
M1 Body Computer
M10 Řídící jednotka motoru
N40 El. palivové čerpadlo a palivoměr
N70 Vstřikovače
N74 Krokový motor chodu na volnoběh
Popis přístrojů:
A30 Cívka zapalování
B1 Pojistková skříňka v motorovém prostoru
B2 Pojistková skříňka pod palubní deskou
C10 Ukostření
C20 Ukostření
C30 Ukostření
C40 Ukostření
E50 Přístrojová deska
I50 Bezpečnostní odpojovač přívodu paliva
K15 Lambda sonda před katalyzátorem
K16 Lambda sonda za katalyzátorem
K30 Snímač nedostatečného tlaku motorového oleje
K43 Snímač teploty a tlaku vzduchu
K45 Snímač teploty motoru pro el. ventilátor
K46 Snímač otáček
K47 Snímač fáze ojnice
K50 Snímač klepání
K56 Snímač polohy škrtící klapky
K84 Snímač tachometru
L10 El. ventil odvětrávání palivových par
M1 Body Computer
M10 Řídící jednotka motoru
N40 El. palivové čerpadlo a palivoměr
N70 Vstřikovače
N74 Krokový motor chodu na volnoběh
- Přílohy
-
- 03.jpg (161.48 KiB) Zobrazeno 5764 x
-
- 02.jpg (104.31 KiB) Zobrazeno 5764 x
-
- 01.jpg (89.3 KiB) Zobrazeno 5764 x
Fiat Punto II 1,2 8V r.v.2000
Re: Schéma ŘJ
Ještě jsem zapoměl kódy barev vodičů ve schématu:
Kód Barva
A - Světle Modrý
B - Bílý
C - Oranžový
G - Žlutý
H - Šedý
L - Modrý
M - Hnědý
N - Černý
R - Rudý
S - Růžový
V - Zelený
Z - Fialový
A příklad kombinace dvou písmen: AB - Světle Modrý / Bílý, NZ - Černý / Fialový atd.
Kód Barva
A - Světle Modrý
B - Bílý
C - Oranžový
G - Žlutý
H - Šedý
L - Modrý
M - Hnědý
N - Černý
R - Rudý
S - Růžový
V - Zelený
Z - Fialový
A příklad kombinace dvou písmen: AB - Světle Modrý / Bílý, NZ - Černý / Fialový atd.
Fiat Punto II 1,2 8V r.v.2000