kontrolka oleja stale svieti
Moderátoři: peta.smolik, mad mike, Matto, Katy
Re: kontrolka oleja stale svieti
nevíš,škoda,uvidíme v čem byl problem až to Vlasto vyřeší
CROMA 1.9JTD/110kW r.06 -EMOTION-
Lancia Musa 1.4 16V r.11-PLATINO-
PUNTO 75 ELX r.96
IDEA 1.4 16V/70kW r.07
Stilo 1.6 16V/76kW r.02 Dynamic
Seicento 1.1 SPI HOBBY r.99...
TIPO 1.4 r.94...
UNO 1.5 MPI r.87
Lancia Musa 1.4 16V r.11-PLATINO-
PUNTO 75 ELX r.96
IDEA 1.4 16V/70kW r.07
Stilo 1.6 16V/76kW r.02 Dynamic
Seicento 1.1 SPI HOBBY r.99...
TIPO 1.4 r.94...
UNO 1.5 MPI r.87
- Reklama
Re: kontrolka oleja stale svieti
Uznávám že u dvojky je možné vše,divím se že mi elektronika nekecá do toho jestli se nehrbím na sedadlehawtin píše:no tak nevěř no, smutnej z toho nebudu... me jde o to pomoct tazateli, ne te tady vzdelavat
Lancia Y 1.1.....
Re: kontrolka oleja stale svieti
nevím?liborko píše:nevíš,škoda,uvidíme v čem byl problem až to Vlasto vyřeší
Vlastův problém je v tom, že ještě nemá kabel za sto korun a notebook s nainstalovaným FESem (který je, dle mého názoru, pro ty naše starý křápy holt nutnost mít).
A ano, pokud kontrolka bude opakovaně svítit, pak může Vlasta vydělávat přístrojovku, měřit žárovičkama apod.
FIAT PUNTO II 1.2 16V HLX 5d
Re: kontrolka oleja stale svieti
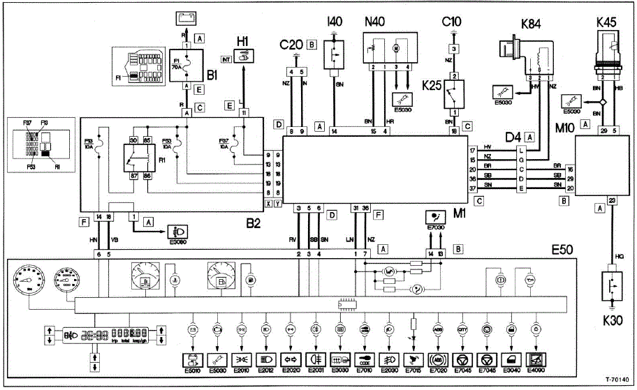
Pravdu má hawtin, tohle je z knížky F. Punto II jak na to, M10 je řídící jednotka motoru, K30 je snímač tlaku a E50 je přístrojový štít.liborko píše:Jak je to čidlo tlaku oleje napojeno přes ecu když tam vedou jen dva kable z čidla rovnou do přístrojovky na kontrolku? a jak to ta jednotka tím pádem pozná? když mi to v el. schématu ukážeš tak uvěřím
- Přílohy
-
- Capture.gif (62.32 KiB) Zobrazeno 8227 x
Punto 1.2 8V, rv. 02 - slouží dál už zase nám
Saab 9-5 Aero
ex:
Punto 55 S, rv. 96 - odpočívá v pokoji
Alfa Romeo Giulietta TBi QV - odpočívá v pokoji 😢
Honda Civic 8G 1.8
Saab 9-5 Aero
ex:
Punto 55 S, rv. 96 - odpočívá v pokoji
Alfa Romeo Giulietta TBi QV - odpočívá v pokoji 😢
Honda Civic 8G 1.8
Re: kontrolka oleja stale svieti
Tak to je síla.Omlouvám se za dezinformaci.Čím dál víc začínám uvažovat o navrácení se k Mk1,tenhle dvojkový elektronický sráč mně začíná docela děsit.........
Lancia Y 1.1.....
Re: kontrolka oleja stale svieti
zase přes FES je možný si tu kontrolku v testu akčních členů vypínat a zapínat, aby si člověk vyzkoušel, že palubka funguje jak má.
Fiat Stilo 1.6 16V
ex Fiat Tipo 1.4 i.e.
ex Fiat Tipo 1.4 i.e.
Re: kontrolka oleja stale svieti
Tak jestli je to opravdu tak dle toho schématu tak se omlouvám,já jsem koukal známému na punto nedávno a rozdíly oproti 8V jsem nepostřehl skoro žádné,ale má MKI tak je možné že MKII už má na 1.2 16V "vymakanější" elektroniku i na takové čidla jako je tlak oleje nebo teplota vody na budíku
CROMA 1.9JTD/110kW r.06 -EMOTION-
Lancia Musa 1.4 16V r.11-PLATINO-
PUNTO 75 ELX r.96
IDEA 1.4 16V/70kW r.07
Stilo 1.6 16V/76kW r.02 Dynamic
Seicento 1.1 SPI HOBBY r.99...
TIPO 1.4 r.94...
UNO 1.5 MPI r.87
Lancia Musa 1.4 16V r.11-PLATINO-
PUNTO 75 ELX r.96
IDEA 1.4 16V/70kW r.07
Stilo 1.6 16V/76kW r.02 Dynamic
Seicento 1.1 SPI HOBBY r.99...
TIPO 1.4 r.94...
UNO 1.5 MPI r.87
Re: kontrolka oleja stale svieti
MkII 8V a 16V má ve své podstatě tu elektriku hodně podobnou, rozdíly tam jsou jen v detailech
Punto 1.2 8V, rv. 02 - slouží dál už zase nám
Saab 9-5 Aero
ex:
Punto 55 S, rv. 96 - odpočívá v pokoji
Alfa Romeo Giulietta TBi QV - odpočívá v pokoji 😢
Honda Civic 8G 1.8
Saab 9-5 Aero
ex:
Punto 55 S, rv. 96 - odpočívá v pokoji
Alfa Romeo Giulietta TBi QV - odpočívá v pokoji 😢
Honda Civic 8G 1.8
Re: kontrolka oleja stale svieti
Já toho moc o MKII (vlastním MKI) nevím proto jsem radil jít po káblech a hold jsem ze "staré školy" 
Fiat Punto MK1 SX 1,7 TD 52kw rv. 95 - Dosloužil :(
Aktualně Fiat Stilo 1,9 JTD 85 kw r.v 03
Aktualně Fiat Stilo 1,9 JTD 85 kw r.v 03
Re: kontrolka oleja stale svieti
Pánove tak ja vás opět zdravim z dalším problémem mého Puntika.
Letos se rozhodlo me asi poradne potrapit. Dnes sem jel po dálnici asi 300km a žádna závada se neprojevila, no jak sem zastavil na prvním semaforu ve meste mi začala blikat kontrolaka oleje. Když se rozjedu tak to přestane ale když zas zastavim problikava. Vědel sem že mam trochu vadnou hadičku k MAP čidlu tak sem ji vymenil s pocitem co kdyby. Asi po 4hodinach sem zas nasednul do auta a nastartoval, nechal sem ho bežet asi 10min v neutralu a bežel motor v pohode. Rozjel sem se a voala, zas kontrolka problikavala.
Nevíte v čem muže byt chyba, hladinu oleje sem kontroloval a byla kousek nad max, je ale pravda že auto nebylo zcela rovne a asi ani ne pravě vychlazenej(kontrola byla asi cca 15min po vypnutí motoru).
Letos se rozhodlo me asi poradne potrapit. Dnes sem jel po dálnici asi 300km a žádna závada se neprojevila, no jak sem zastavil na prvním semaforu ve meste mi začala blikat kontrolaka oleje. Když se rozjedu tak to přestane ale když zas zastavim problikava. Vědel sem že mam trochu vadnou hadičku k MAP čidlu tak sem ji vymenil s pocitem co kdyby. Asi po 4hodinach sem zas nasednul do auta a nastartoval, nechal sem ho bežet asi 10min v neutralu a bežel motor v pohode. Rozjel sem se a voala, zas kontrolka problikavala.
Nevíte v čem muže byt chyba, hladinu oleje sem kontroloval a byla kousek nad max, je ale pravda že auto nebylo zcela rovne a asi ani ne pravě vychlazenej(kontrola byla asi cca 15min po vypnutí motoru).
http://lado88.rajce.idnes.cz/Punto
http://www.club-fiat.com/viewtopic.php?f=74&t=18847
Fiat Punto Mk1, rv.97, Blue Color, 1.1 40kW 55hp, 3dveř :) <3 :)
Renault Megane Sedan, rv.98, Blue-metal color, 1.6 79kW 107hp, full :/
http://www.club-fiat.com/viewtopic.php?f=74&t=18847
Fiat Punto Mk1, rv.97, Blue Color, 1.1 40kW 55hp, 3dveř :) <3 :)
Renault Megane Sedan, rv.98, Blue-metal color, 1.6 79kW 107hp, full :/
Re: kontrolka oleja stale svieti
no ak si na stopro istý, že oleja tam máš dosť, tak podľa mňa jednoznačne problém v olejovom čerpadle, kukni sem: http://web.telecom.cz/rozsini/puntoMk1/fiat.htm" onclick="window.open(this.href);return false; , najdi si tam: mazání motoru, a je tam aj tabulka porúch
ex - Punto MK1 1,2 ELX 54kw/73k r.v.95
now - Grande Punto 1,9 MultiJet 116kw/160k r.v.07 -powered by Alfatuning.sk
now - Grande Punto 1,9 MultiJet 116kw/160k r.v.07 -powered by Alfatuning.sk
Re: kontrolka oleja stale svieti
v čerpadle bych chybu nehladal.Bez mazání by neujel ani 10 km natož 300. chyba bude nejspíš v čidle tlaku,nebo se někde prodřela izolace na kablíku od čidla a dotýká se to někde kostry.čidlo ozn.červeně
Rossi
Fiat Punto 1.6Mk1 90 ELX resuscitován
AUDI A6 3.0 Quatro 2002
Fiat Punto 1.6Mk1 90 ELX resuscitován
AUDI A6 3.0 Quatro 2002
Re: kontrolka oleja stale svieti
Prave že ked je auto v pohybe tak kontrolka nesvieti, v tu chvilu zhasne, ale ked už spomalujem popripade zastavim tak začne tak nepravidelne blikat. Ale ked ho naštartujem a necham v neutrali nič sa nedeje, rozbehnem to nič, až potom jak spomínam po zastaveni to začne. Ja neviem či by sa važne poškodenie malo nejako extra prejavovat smradom alebo tak nejak. Ale žiadny smrad som si nevšimol, ani z výfuku žiaden smrad či dym. Ale spotreba je o niečo vyžšia a výkon neni nejako to čo bol. Ma s tym niečo spoločného napríklad vymenaná hadička k MAP čidlu ale je dlhšia (má 30cm)?
http://lado88.rajce.idnes.cz/Punto
http://www.club-fiat.com/viewtopic.php?f=74&t=18847
Fiat Punto Mk1, rv.97, Blue Color, 1.1 40kW 55hp, 3dveř :) <3 :)
Renault Megane Sedan, rv.98, Blue-metal color, 1.6 79kW 107hp, full :/
http://www.club-fiat.com/viewtopic.php?f=74&t=18847
Fiat Punto Mk1, rv.97, Blue Color, 1.1 40kW 55hp, 3dveř :) <3 :)
Renault Megane Sedan, rv.98, Blue-metal color, 1.6 79kW 107hp, full :/
Re: kontrolka oleja stale svieti
Já bych se bál toho, že je olej nad max..odpovídala by tomu i ta vyšší spotřeba - motor se pere s tlakem, na který není konstruovaný. Postav to rovně, počkej až vychladne a olej steče do vany a mrkni na to...laco88 píše:...Nevíte v čem muže byt chyba, hladinu oleje sem kontroloval a byla kousek nad max, je ale pravda že auto nebylo zcela rovne a asi ani ne pravě vychlazenej(kontrola byla asi cca 15min po vypnutí motoru).
Punto 1.2 8V, rv. 02 - slouží dál už zase nám
Saab 9-5 Aero
ex:
Punto 55 S, rv. 96 - odpočívá v pokoji
Alfa Romeo Giulietta TBi QV - odpočívá v pokoji 😢
Honda Civic 8G 1.8
Saab 9-5 Aero
ex:
Punto 55 S, rv. 96 - odpočívá v pokoji
Alfa Romeo Giulietta TBi QV - odpočívá v pokoji 😢
Honda Civic 8G 1.8
Re: kontrolka oleja stale svieti
OndraK píše:Já bych se bál toho, že je olej nad max..odpovídala by tomu i ta vyšší spotřeba - motor se pere s tlakem, na který není konstruovaný. Postav to rovně, počkej až vychladne a olej steče do vany a mrkni na to...laco88 píše:...Nevíte v čem muže byt chyba, hladinu oleje sem kontroloval a byla kousek nad max, je ale pravda že auto nebylo zcela rovne a asi ani ne pravě vychlazenej(kontrola byla asi cca 15min po vypnutí motoru).
http://lado88.rajce.idnes.cz/Punto
http://www.club-fiat.com/viewtopic.php?f=74&t=18847
Fiat Punto Mk1, rv.97, Blue Color, 1.1 40kW 55hp, 3dveř :) <3 :)
Renault Megane Sedan, rv.98, Blue-metal color, 1.6 79kW 107hp, full :/
http://www.club-fiat.com/viewtopic.php?f=74&t=18847
Fiat Punto Mk1, rv.97, Blue Color, 1.1 40kW 55hp, 3dveř :) <3 :)
Renault Megane Sedan, rv.98, Blue-metal color, 1.6 79kW 107hp, full :/